=Dmitry= Posted September 13, 2013 Posted September 13, 2013 (edited) Оригинальный пост: http://habrahabr.ru/post/190632/ Прибор работает на принципе измерения активного сопротивления и емкости постоянным током, определяется правильность обжима (пожильно, через заглушку), приблизительная дистанция до обрыва, потенциально могут быть реализованы дополнительные функции. Кто что думает? Прибор НЕ для сертификации, он нацелен на поиск повреждений и ошибок монтажа, не требует высокой квалификации оператора, и если случайно разобьют - не жалко 🙂 Мое мнение... Защитные цепи неработоспособны, в таком виде к двум линиям порта А, может быть приложено напряжение до 14в с неограниченным током, все это пойдет в цепь питания, через внутренние защитные диоды порта A, подняв питание до тех же 14в (в худшем случае). Даже с 1.5KE6V8A, максимум будет порядка 7в, что для Меги все равно недопустимо. Нужно: 1. Перевернуть супрессоры на схеме и заменить их на 1.5KE6V8A (двуханодные с окончанием "CA" не подходят! Внимание, при этом увеличится емкость!), для защиты от телефонии и PoE, хватит даже P6KE6V8A. 2. Добавить в разрыв линий порта A токоограничивающие резисторы, можно те же 8,2К. 3. По питанию установить стабилитрон помощнее, на 5,6в. Дисплей 16x4 избыточен, себе буду городить с 16x2 (с доработкой прошивки), и добавлю кнопочек. Там правильно заметили, нужен режим генератора, что бы не таскать с собой еще одну коробку. Подавать сигнал надо между зеленой и оранжевой, либо синей и коричневой парами, по выбору оператора, подсветку при этом надо выключать. Еще хотелось бы рассмотреть 2 вещи... 1. Переделку входной защиты на мостовую схему (а-ля грозозащита APC). Это исключит огромную паразитную емкость, которая сопоставима с емкостью кабеля максимальной длины. 2. Уменьшить номиналы резисторов, для более точного измерения К.З. Если сопротивление пар (как минимум зеленой и оранжевой) до 25...30 Ом, между парами - 100...150 Ом либо обрыв, то кабель включен в оборудование, и он по всей видимости исправен. Более 25...30 Ом в парах, или менее 100 Ом между ними, говорит о плохом кабеле (некачественный контакт, или межпарное К.З. от передавленности). При достаточно малых номиналах резисторов, можно будет промерить через заглушку сопротивление жил, по крайней мере там до 12...15 Ом, или более. ====================================================================================================================== Мой вариант прибора ДОРАБОТКИ - плата переделана под корпус от медиа-конвертера (SOFETEC и аналоги), контроллер в TQFP-44, SMD мелочевку, индикатор размером 85x30mm; - изменена схема, в соответствии с новой разводкой и некоторыми доработками; - улучшена защита входа; - индикатор формата 16x4 заменен на более дешевый и распространенный 16x2; - полностью переписана прошивка. ВОЗМОЖНОСТИ - определение типа и подключения кабеля (100МБит, 1ГБит, отключен, неисправен); - попарная проверка целостности проводников, качества контактов, измерение длины кабеля; - пожильная проверка отсутствия коротких замыканий и дефектов изоляции (в том числе на экран кабеля FTP); - обнаружение постороннего напряжения в кабеле и разряда батареи. Подробное описание, окончательный вариант схемы, разводка платы, прошивка, исходник - в архиве: http://dz.dn.ua/lan-tester/lan-tester-1.00.zip Обновленная прошивка: http://dz.dn.ua/lan-tester/lan-tester-1.01.zip V1.01 (12.05.2014) - Исправлена ошибка определения длины пары, при обрыве одной жилы. - Чувствительность к потенциалу/наводке на входах, загрублена до 50мВ. - Добавлена индикация некалиброванности (знак "!" в левом верхнем углу, при выводе результата измерения). Обновленная прошивка: http://dz.dn.ua/lan-tester/lan-tester-1.02.zip V1.02 (18.09.2023) - Добавлена индикация состояния пар неисправного кабеля (CON/GAP/BRK - замкнута/разомкнута/распаровка, очень плохой контакт, или плохая изоляция). - Исправлено отсутствие проверки контакта 8 на разомкнутость при неподключенном кабеле. - Оптимизировано определение типа кабеля. - Уточнена информация о фьюзах (Fuses.txt). Обновленная прошивка: http://dz.dn.ua/lan-tester/lan-tester-1.03.zip V1.03 (17.10.2024) - Исправлена ошибка индикации при разряженной батарее. - Чувствительность к плохой изоляции загрублена до 50кОм. Edited October 17, 2024 by =Dmitry= Обновленная прошивка. Вставить ник Quote
Oleg_mouse Posted September 15, 2013 Posted September 15, 2013 Женится вам барин пора © Вставить ник Quote
sol Posted September 16, 2013 Posted September 16, 2013 А вот у одного местного товарища, с ником VVG, есть готовый такой тестер, вроде, так-же на AVR. Только с PHY. Умеет честный TDM, и отвечать на пинги. И играть музыку. И цветной экран от нокии. И размером со спичечный коробок. Варит кофе. Встроенные шахматы и балерины. http://vvg.pp.ru/projects/pingtester/ Вставить ник Quote
=Dmitry= Posted September 18, 2013 Author Posted September 18, 2013 Какова точность TDM через PHY? Может быть неисправен первый разъем (ноль метров), может через 1,5м второй разъем или розетка, еще через 7м например стоит свич. PHY который умеет мерить только дискретно (обрыв в пределах 10/20/30 и т.д. метров), здесь бесполезен, так как все возможные неисправности в данном примере, попадают в один диапазон "до 10 метров". Мы ищем обрывы тестером с функцией измерения емкости, точность определения дистанции порядка 10%, от нуля до нескольких км (витуха, транзиты SHDSL). Есть и портативыный LC-метр на AVR, он точнее, но на практике в нем необходимости не возникало, основная погрешность все равно идет от параметров конкретного кабеля. Бывают еще межпарные К.З. с непредсказуемым сопротивлением, если кабель передавили или пришурупили, а PHY через трансформатор подключен, как он определит? В теории вроде можно, но есть ли такие фичи на практике... По хорошему, пинговалка то же нужна, и что бы 802.1q VLAN умела, но это уже более серьезный аппарат получается. Вставить ник Quote
NiTr0 Posted September 18, 2013 Posted September 18, 2013 точность определения дистанции порядка 10% Сколько покажет на метровом патч-корде? Неужто в пределах 90-110 см? :) Вставить ник Quote
srg555 Posted September 18, 2013 Posted September 18, 2013 Какова точность TDM через PHY? Коммутаторы измеряют с погрешностью 1-2 метра Вставить ник Quote
tartila Posted September 19, 2013 Posted September 19, 2013 А вот вопрос в тему... Недавно об этом думал как раз. Есть сетевухи на компах, ноутах, которые умеют измерять кабель из BIOS или софтом под виндой. А есть софт под Linux? И какие сетевки поддерживают измерение. Вставить ник Quote
=Dmitry= Posted September 20, 2013 Author Posted September 20, 2013 Сколько покажет на метровом патч-корде? Неужто в пределах 90-110 см? :) Кусок кабеля в 1 метр: Синяя 45,5пФ Зеленая 47,0пФ Оранжевая 48,0пФ Коричневая 47,0пФ Итого, максимальное отклонение от наминальной погонной емкости - 6,7%. Если считать по паре с минимальной емкостью, получилось вообще 1%. Это OK-NET Cat. 5E от Одесскабель, измерял самодельным LC-метром на AVR, температура комнатная. Вставить ник Quote
NiTr0 Posted September 20, 2013 Posted September 20, 2013 Я не о LC-метре, а конкретно о данном девайсе. 45 пФ по сравнению с 2 нФ емкостью супрессора - мизер, емкость супрессора скорее всего будет плавать в зависимости от температуры, + имеется определенный интервал дискретизации емкости ведь. Не думаю, что с точностью до 5 пФ удастся измерить сей приблудой. А это уже 10% от длины. + разброс +-10% емкости кабеля. Вставить ник Quote
sol Posted September 20, 2013 Posted September 20, 2013 А почему нельзя взять Phy с ГОТОВЫМ, ТОЧНЫМ TDMом. И не городить огород? Вставить ник Quote
=Dmitry= Posted September 20, 2013 Author Posted September 20, 2013 NiTr0 Да, да, я писал о огромной паразитной емкости супрессоров, сегодня заказал платы с мостовой защитой, там паразитка будет на уровне где то 30пФ, менее 1 метра в эквиваленте. Но все равно, я сомневаюсь в высокой точности, так как в LC-метре совсем другой принцип измерения, хотя 10% заявленные автором, меня устроят. sol Необходимо электрическое тестирование кабеля постоянным током, для определения неправильного обжима, межпарного К.З., плохого контакта, TDM для этого подходит плохо, или совсем неподходит. Вставить ник Quote
NiTr0 Posted September 20, 2013 Posted September 20, 2013 хотя 10% заявленные автором, меня устроят 10% от чего? Существует аддитивная и мультипликативная погрешность. Первая - не меняется в пределах одного диапазона измерения, вторая - зависит от показаний (те самые %). Вставить ник Quote
nuclearcat Posted September 21, 2013 Posted September 21, 2013 Чип KSZ8851 Есть диагностика LinkMD, TDR с точностью до 40см Паять не совсем просто, 48 pin LQFP, но и не BGA :) Вставить ник Quote
NiTr0 Posted September 21, 2013 Posted September 21, 2013 Паять не совсем просто, 48 pin LQFP Под 0.5 шаг у китайцев продаются макетные платы-переходники.Это если насчет изготовления платы под него на коленке. А паяется LQFP48 на ура. Пролудил площадки обильно, поставил сверху чип, прогрел - и чип сел. Только немного некоторые лапы пропаять... А если есть миниволна - вообще прелестно паяется. Прошелся ей по лапам - и все. У меня на LQFP128 обычно уходит до 5 минут. Без миниволны. Вставить ник Quote
sol Posted September 21, 2013 Posted September 21, 2013 И к нему реле типа РЭС-22 с четырями группами переключающих контактов. Для тестирования постоянкой на предмет правильности разводки. И будет ваще турбо. Вставить ник Quote
=Dmitry= Posted September 22, 2013 Author Posted September 22, 2013 Это некультурно ;-) Надо ставить два гнезда. KSZ8851 на 10/100, гигабитный кабель им не протестить. Разве что еще одно гнездо добавить, или второй чип. Да еще вопрос, где ее купить поштучно. По идее можно использовать обычные чипы от гигабитных сетевух, но для PCI ножек контроллера надо много, для PCI-E нужен контроллер умеющий работать с сигналами LVDS. Вставить ник Quote
sol Posted September 23, 2013 Posted September 23, 2013 для PCI ножек контроллера надо много,для PCI-E нужен контроллер умеющий работать с сигналами LVDS. и всё это контроллер должен уметь делать ресско. А он не сумеет. Надо KSZ8851 и второе реле типа РЭС-22 c четырями группами переключающих контактов. В начале первые две пары тестировать, потом другие две пары. Вставить ник Quote
=Dmitry= Posted September 23, 2013 Author Posted September 23, 2013 Есть еще один момент, KSZ8851 как я понял, расчитан на питание 3,3в. AVR для полного открытия выходных ключей нужно 5в, индикаторы (если не от телефона) то же в основном 5в требуют. Нужно 2 питания и доп. городуха для согласования уровней. Если вам нужна точность в метр, то можно обойтись без TDM, только методикой измерения. Замерить с двух сторон, учтя при этом фактическую длину кабеля по меткам. Таким же образом придется искать межпарное К.З., так как его сопротивление неизвестно. Распустил кабель, разница длины синего и оранжевого провода 1,5%, разница емкости синей и оранжевой пар 5,5%, странно. Шаг скрутки влияет на емкость непропорционально, или виной тому измерение на переменном токе? Вставить ник Quote
Alex Brown Posted September 23, 2013 Posted September 23, 2013 Большинство AVR работают именно от 3.3 В, допуская питание 5 В. Индикаторы на 5 В скорее исключение (впрочем, автор купил именно такое исключение с уже распаянным на его контроллере лоу-дроп)), часто приходится хитрить с отдельным понижением питалова к ним и согласованием уровней. В этом плане, как раз, всё в порядке. Не в порядке именно с тем, что (как справедливо замечено выше) качественные входные супрессоры имеют хорошую ёмкость, сильно влияющую на общую погрешность измерения "длины". Да, на чистом МК семейства AVR рефлектометра не построить. А вот с внешним генератором + делител + линия задержки... Примеры есть: например, широко распространённый в узких кругах частотомер "от 50 Гц до 2 ГГц" стоимостью около $50. Именно AVR + ВЧ делитель. Когда я такой паял, делитель добыл из мёртвой мобилки, кстати. Так что, всё вполне реально в умелых руках. :-) P.S. Да, =Dmitry=, именно шаг (точнее, вызванная его разностью в разных парах неидентичность распределённой ёмкости). Вставить ник Quote
OSVLD Posted September 23, 2013 Posted September 23, 2013 (edited) Не хотелось бы никого обижать, но по моему скромному мнению, если техническому специалисту на работе есть время заниматься изготовлением подобных устройств, то его руководству возможно будет выгоднее уволить такого специалиста, а на сэкономленные деньги купить нормальный сетевой тестер... :) Как показывает опыт, заводской прибор практически всегда оказывается более удобным решением чем самоделки, тем более, что цены на различные сетевые тестеры сейчас и так не очень большие (если вам не требуется нечто САМОЕ-САМОЕ :) ) Вот для студента, пионера-провайдера тема в самый раз. Edited September 23, 2013 by OSVLD Вставить ник Quote
sol Posted September 23, 2013 Posted September 23, 2013 если техническому специалисту на работе есть время заниматься изготовлением подобных устройств А если не на рабочем месте? Если по вечерам и дома? В расход? Вставить ник Quote
=Dmitry= Posted September 23, 2013 Author Posted September 23, 2013 Сколько стоит готовый кабельный тестер, с функцией определения дистанции до обрыва? Тестеры без нее - не интересуют. Умножте на количество человек, которые должны иметь этот прибор при себе. Еще их будут периодически терять и разбивать. Сильно сомневаюсь, что готовое окажется дешевле. А если нет свободного времени, можно заказать студенту, не такая уж сложная задача. Alex Brown Паразитная емкость легко убирается мостовой защитой, я кажется даже ошибся, там по схеме выходит порядка 15пФ а не 30 (с диодами HER108). При этом возможно придется менять метод измерения на единицах метров, но это вполне решаемо. Для рефлюка нужно другое, усилок + АЦП с полосой 50...150МГц, дальше FPGA с SDRAM для буферизации, а уже мозгами может быть тот же AVR. АЦП наверное можно заменить компаратором + регулировка амплитуды зондирующих импульсов, но тут не ручаюсь, пробовать надо... Не вижу смысла делать его ТОЛЬКО для меди, так как есть метод измерения емкости, и есть недорогие чипы со встроенным TDM. Для оптики - может быть... Вставить ник Quote
Alex Brown Posted September 23, 2013 Posted September 23, 2013 Совершенно верно. Например, лично мне "на работе" платят вовсе не за контроль за работой монтажников СКС в нашей фирме. А вот "дома" необходимость в некоем "показометре КЗ-ОБРЫВ-РАЗНОПАРКА) пару раз в год возникает. Покупать три-четыре устройства сомнительного качества по $40 каждое тупо давит жаба, а вот возможность долгими зимними вечерами на балконе спаять маленький комбайн (кстати, кроющий китайцев как бык овцу) -- вдохновляет. При том, что как раз с паяльником и осциллографом (в отличие от сварочного станка для оптики) я дружу давно и крепко. Что забавно -- большинство наших монтажников не понимают с какого бока подойти к осциллографу, кстати. Да, это НЕ для профессионалов-монтажников. Для, это именно для любителей. Дык, и TP-Link (как и Mikrotik) вовсе не признак "крутого прова". Но -- доступны, работают и даже приносят доход владельцам. Как-то так... Вставить ник Quote
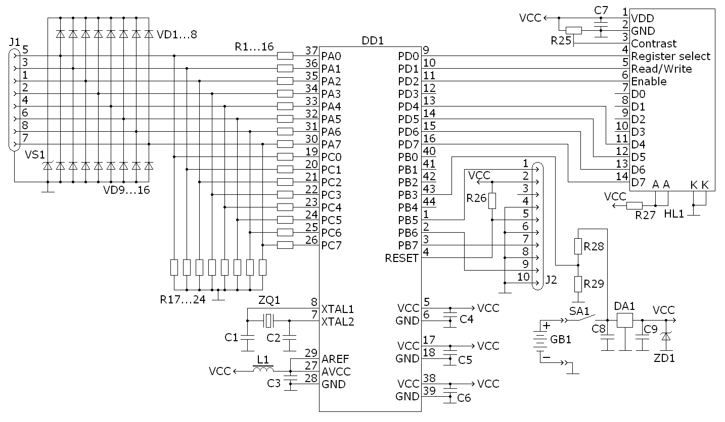
=Dmitry= Posted September 24, 2013 Author Posted September 24, 2013 (edited) Мой вариант. Несколько изменена схема, для удобства разводки под TQFP, переделана защита, немного изменено включение индикатора и цепи контроля батареи. Номиналы R1...16, а так же резисторов заглушки, видимо будут изменены в меньшую сторону. Жду платы. VD1...16 HER108 DO-41 VS1 1.5KE6V8A CB429 J1 RJ-45F J2 IDC-10M R1...16 8,2K 0805 R17...24 1M 0805 DD1 ATMega16A TQFP-44 DA1 LP2950-5.0 TO-92 HL1 WH1602D 85x30mm C1, C2 15pF 0805 ZQ1 16MHz HC-49U L1 10uH C3...9 0,1uF 0805 R25 10K R26 10K 0805 R27 100 R28 51K 0805 R29 10K 0805 GB1 6F22 ("Крона") SA1 Button 5x5mm ZD1 5,6V Zenner diode Edited September 24, 2013 by =Dmitry= Вставить ник Quote
borolegg Posted September 26, 2013 Posted September 26, 2013 =Dmitry= вы можете выложить печатку вашей платы и прошивку? Вставить ник Quote
Recommended Posts
Join the conversation
You can post now and register later. If you have an account, sign in now to post with your account.