x-rayd Posted April 27, 2023 Posted April 27, 2023 Да подтвердить данную проблему. Если например от точки "А" до точки "Д" несколько промежуточных мостов, то скорость в точку "Д" приходит слабая, хотя если замерять между мостами, то все летает. Пока тоже не можем понять почему с каждым добавлением моста скорость ухудшается, хотя все сигналы и качество на 100%. Может Saab95 подскажет? Вставить ник Quote
fractal Posted April 27, 2023 Posted April 27, 2023 22 часа назад, T0T сказал: Привет всем, развитие по моей теме. Установил тестовой прокат на 1 км (скоро перенесу на 6 км). После нескольких дней тестирования добился следующего: А -- Б -- В -- Г Б -- B - Беспроводная связь на расстоянии 1 км А -- Г — EoIP тунель Полученные результаты: Б - B = 400 Мбит/с (TCP с NV2)/290 с Nstreme А - Г = 130 Мбит/с (TCP с NV2)/235 с Nstreme Везде использую pfifo=10000 Сегодня добавил роутер MTik после "Г" - тест за L3 равен результату от А до Г (130Мбит/с). Подскажите, что скоректировать, чтобы получить скорость, достигнутую с NV2 от А до Г? Отдельно от етого вопроса - котото пробувал работу карть QCA 9984 (miniPCI-e) на базе микротик? Мту на всем пути задрано? Вставить ник Quote
x-rayd Posted April 28, 2023 Posted April 28, 2023 МТУ на wlan интерфейсе везде 1500 Вставить ник Quote
weedman Posted April 28, 2023 Posted April 28, 2023 (edited) 23 часа назад, T0T сказал: Есьт какойто момент с Nv2 - в прошлом помню, что если сделать несколько последователньх линий на базе Nv2, на каждой есть потеря скорости (когда тест идет не ptp от точку в точку, а от начала до конца - через все линии). Не слышал этого. Возможно я что-то не так понял, где у вас используется EoIP? Edited April 28, 2023 by weedman Вставить ник Quote
T0T Posted April 28, 2023 Author Posted April 28, 2023 @weedman В конкретной постановки: A - начала EoIP Б -> В - wireless Г - конец EoIP А до Б и В до Г - кабель. Т.е. тунель обхватьвает и ptp линую. Сами точки Б и В вижут 4-5 MAK адреса, доступ до них через Management VLAN - т.е. они прозрачнь для основного линка. Вставить ник Quote
npokypop Posted April 28, 2023 Posted April 28, 2023 Используем на радиомостах SFQ очереди, трафик прозрачно летает по L2. Проблем нет с потерей скорости через 2-3 моста. Вставить ник Quote
T0T Posted April 29, 2023 Author Posted April 29, 2023 @npokypop SFQ на WLAN интерфейсе только или и на ethernet? Так тоже - NV2 или Nstreme? Вставить ник Quote
Saab95 Posted April 29, 2023 Posted April 29, 2023 Цитата Если например от точки "А" до точки "Д" несколько промежуточных мостов, то скорость в точку "Д" приходит слабая, хотя если замерять между мостами, то все летает. Это означает что точки создают друг другу помехи при одновременной передачи данных. А когда проводите тесты по очереди помех нет. Нужно разнести по частотам или разнести их максимально далеко. В скане эфира точки на одном адресе не должны видеть друг друга с сигналом ниже чем -70, даже если по частотам разнесены, есть внеполосные помехи они тоже влияют. Вставить ник Quote
T0T Posted April 29, 2023 Author Posted April 29, 2023 @Saab95 Етот проблем изчезает при Nstreme (с одним и тем же антенам, частотам, помехам) В форуме микротика об етом проблеме много темь есть (все на NV2). В моем случае ето не на последовательной линк (но еьть и такие в сети), а при тестирования через наличной линк. Вчера поднял VPLS (с MPLS/OSPF) на месте EoIP и результат подобен (VPLS +50Mbps дает). Все что протестировал на Nstreme работает на NV2 нет (там только в PtP, но не и через PtP) - проблем, что Nstreme больше 300Mbps не дает (по регулярному методу), а про другй метод (500Mbps на базе Nstreme) мне некого спросить - там надо специфические знания. Вставить ник Quote
npokypop Posted April 30, 2023 Posted April 30, 2023 @T0T Для какой цели поднимали MPLS/OSPF ? На каком оборудовании ядро MPLS ? Вставить ник Quote
T0T Posted April 30, 2023 Author Posted April 30, 2023 Без MPLS/OSPF туннель на VPLS не сработьвал. MTU на 1508. Старт тунеля на X86, конец на RB hEX. Сейчас тестирую всякие варианть Queues (интерсно, что иногда "none" вьдает больше скорость). Максимум пока у меня 350Mbps (TCP) на NV2 через етот VPLS (почти сколько идет на чистой PtP). Вставить ник Quote
x-rayd Posted April 30, 2023 Posted April 30, 2023 У меня nstreme больше 135 Мбит реального трафика не пропускает, на важно 40МГц или 80МГц стоит. Может у кого больше получилось, если да поделитесь настройками. Вставить ник Quote
x-rayd Posted May 2, 2023 Posted May 2, 2023 На двух! nstreme не дает больше 135 Мбит реального трафика в TCP. Вставить ник Quote
Saab95 Posted May 3, 2023 Posted May 3, 2023 Цитата Етот проблем изчезает при Nstreme (с одним и тем же антенам, частотам, помехам) Просто Нстрим это передача маркера и он лучше работает в условиях помех, т.к. может передвигать циклы приема-передачи во время своей работы. И если это помеха в транзитном канале от своих же данных, то вторая часть помехи идет от обратного трафика и как раз занимает часть производительности, а так как общая скорость у протокола меньше он проблем и не показывает. NV2 же забирает все возможности канала по времени передачи данных, и протокол цикличный, не изменяет свои параметры времени начала передачи. Поэтому любая помеха, занимающая часть эфирного времени сильно влияет на работу канала. Вставить ник Quote
T0T Posted May 6, 2023 Author Posted May 6, 2023 @x-rayd Дай немного информации о самой линии: сигнал/CCQ/дистанция/устройства? Тоже, какие настройки применил. @Saab95 На счет нстрийм - знаете ли вь способ работь на ниском уровне с етом протоколом (больше опциий чем есть в winbox-е) - способ влиять на передвигания цикла приема-передачи (и/или delay), через скрипт или модификацию wireless драйвера? И меня есть подобная инфа, но не на публику. Пока в моей тестовой установке - препробував всякие варианть, лучшая скорость получил на чистом NV2 (без никаких туннелях и без Layer 3 - когда добавьлю Layer 3 или EoIP скорость падает в двое - ето чрез линк, а не PtP). Результат (через сам линк - т.е. сколько получаю на PtP, столько и через сам линк): 320М TCP/Nstreme - пиково (среднем 300) 440М TCP/NV2 - пиково (в срендем 390М) Вставить ник Quote
weedman Posted May 9, 2023 Posted May 9, 2023 В 06.05.2023 в 17:12, T0T сказал: 320М TCP/Nstreme - пиково (среднем 300) 440М TCP/NV2 - пиково (в срендем 390М) Второй человек, кроме Сааб, который видел эти цифры на микроте Вставить ник Quote
bg80211 Posted May 9, 2023 Posted May 9, 2023 В 06.05.2023 в 16:12, T0T сказал: @x-rayd Дай немного информации о самой линии: сигнал/CCQ/дистанция/устройства? Тоже, какие настройки применил. @Saab95 На счет нстрийм - знаете ли вь способ работь на ниском уровне с етом протоколом (больше опциий чем есть в winbox-е) - способ влиять на передвигания цикла приема-передачи (и/или delay), через скрипт или модификацию wireless драйвера? И меня есть подобная инфа, но не на публику. Пока в моей тестовой установке - препробував всякие варианть, лучшая скорость получил на чистом NV2 (без никаких туннелях и без Layer 3 - когда добавьлю Layer 3 или EoIP скорость падает в двое - ето чрез линк, а не PtP). Результат (через сам линк - т.е. сколько получаю на PtP, столько и через сам линк): 320М TCP/Nstreme - пиково (среднем 300) 440М TCP/NV2 - пиково (в срендем 390М) Имеем на борту Arm Disk Lite5AC режим P2P, LOS полоса 80 Мгц , модуляция макс 866 и качество 99%, но не как не могу больше 200 Мбит даже тестом прогнать. У вас наверно какой-то другой микротик :), дайте пруфы где вы видели 390 Mbit в TCP. Вставить ник Quote
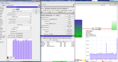
npokypop Posted May 9, 2023 Posted May 9, 2023 Вот я только что на существующем канале добавил трафик через этот канал по BW. Оборудование LDF5ac , протокол NV2, ширина канала 80Мгц. Вставить ник Quote
npokypop Posted May 9, 2023 Posted May 9, 2023 Ну еще для затравочки по UDP, выше было TCP: Вставить ник Quote
T0T Posted May 9, 2023 Author Posted May 9, 2023 @weedman Видно не только Сааб и я успели - знаю еще нескольких, которье достигли 400+. Вопрос не в том, возможно ли, а как правильно репродуцировать успешной линк. @bg80211 Создал ету тему не доказьвать что то, а искать как повторить старье успехи. Пока ето искал, попал на новье варианть достижение скоростей. У меня тестовой линк стоял на 1 км, в центре города (много локального шума на 5GHz). Другой интересной факт, что у меня небьла идеальная видимость (есть препятствие, которое отрезает мне часть френсель зонь и немного даже от центра сигнала). Сейчас работаем по построение реального линка (на 7 км) с готово настроенньм оборудованием - одна сторона уже готова, надеюсь на етой недели поднимим и другую. Есть какието сомнения, что все работает хорошо на коротких дистанциях и на 7 км наверное не успею 1:1 перенести те же скорости, хотя на 7 км нет никакого сотороннего шума (чистой ефир). @npokypop Хороший результат - ето на какой дистанции и сигнал? Вставить ник Quote
weedman Posted May 10, 2023 Posted May 10, 2023 10 часов назад, npokypop сказал: Вот я только что на существующем канале добавил трафик через этот канал по BW. Оборудование LDF5ac , протокол NV2, ширина канала 80Мгц. Какие настройки NV2? модуляции в ручной режим переводили? 8 часов назад, T0T сказал: @weedman Видно не только Сааб и я успели - знаю еще нескольких, которье достигли 400+. Вопрос не в том, возможно ли, а как правильно репродуцировать успешной линк. Если так, приношу изминения. Вставить ник Quote
Recommended Posts
Join the conversation
You can post now and register later. If you have an account, sign in now to post with your account.