Susanin Posted October 25, 2018 Posted October 25, 2018 Добрый день. Зашли в небольшой поселок. Ящик на 12U установили в гараже. На данный момент в нем 2 OLT BDCOM на 4 порта. На следующий год добавим еще 3. В поселке после аварии происходят веерные отключения. Продлится эта катавасия еще год. Нужно обеспечить минимум 4 часа, а лучше 8 часов. Менеджер предложил вариант с https://shop.nag.ru/catalog/09839.On-line/17926.IBP-moschnostyu-1-kVA/19052.SNR-UPS-ONRM-1000-S36 + 3штуки https://shop.nag.ru/catalog/09836.IBP-UPS/09924.Bloki-batarej/19072.SNR-UPS-BCRM-1000-S36 из расчет на 3 часа. Решение стоит как генератор с автозапуском. Я смотрю на вариант https://shop.nag.ru/catalog/09836.IBP-UPS/12407.Invertory/10373.SNR-INV-1200-SK#tech + батарея https://shop.nag.ru/catalog/09851.Akkumulyatory/13634.SNR/09044.SNR-BAT-12-200 . Но опыта с расчетом таких систем нет. Можно ли будет на следующий год подключить второй АКБ ? В железном ящике обязательно делать вентиляцию ? Может просто инвертор сверху на ящик поставить (гараж закрыт)? Ну или может кто-то предложит свое проверенное решение ? Вставить ник Quote
sheft Posted October 25, 2018 Posted October 25, 2018 13 часов назад, Susanin сказал: Я смотрю на вариант https://shop.nag.ru/catalog/09836.IBP-UPS/12407.Invertory/10373.SNR-INV-1200-SK#tech + батарея https://shop.nag.ru/catalog/09851.Akkumulyatory/13634.SNR/09044.SNR-BAT-12-200 . Но опыта с расчетом таких систем нет. Можно ли будет на следующий год подключить второй АКБ ? В железном ящике обязательно делать вентиляцию ? Может просто инвертор сверху на ящик поставить (гараж закрыт)? Вполне рабочий вариант, опыта конкретно по указанному инвертору не имею, стоят мап энергия... Смущает установка оборудования в гараже.... летом в гараже хорошая такая финская парная, нагрев с плоской крыши просто конский, никакого кондиционера не хватит без теплоизоляционных мероприятий Вставить ник Quote
ShumBor Posted November 7, 2018 Posted November 7, 2018 А не проще поставить BDCOM с RPS, например такой https://shop.nag.ru/catalog/14894.BDCOM/24658.Stantsionnye-terminaly-OLT/27574.P3310C-2AC-R. В теории может оказаться про КПД лучше, если там 220 больше ни для чего не нужно.. Да и свичи есть с RPS. Вставить ник Quote
Susanin Posted November 8, 2018 Author Posted November 8, 2018 @ShumBor Изначально менеджер и предложил такой вариант. Но в описании написано: Максимальная батарея 10Ан Этого хватит примерно на 3 часа для одной головы. + вариант с инвертором более универсален. Возможно что заместо такого количества OLT 4-х портовых возьмем 8-ми портовые. Вставить ник Quote
ShumBor Posted November 8, 2018 Posted November 8, 2018 Так тогда может самому сворганить 12в ups. Как у нас на крупных узлах сделано: http://www.mean-well.ru/store/ADD-155A/ + 17 Ач батарея (иногда две, но время заряда тогда вырастает в двое) и к нему уже коммутатор/конвертер, правда если нет rps, но бп на 12В, то эксплуатация у нас сама выводит 12В из коммутатора. Ну и знаем что хватает батареи на 6 часов, когда остается 2 часа - гонится машина с заряженными акумами, и их замена раз в 2 года. Агенты наши вообще стоят на 24В себе узел, но по схеме полного преобразования БП/ЗУ 24В -> батарея 24 Ач -> 24 В на микротики/UBNT, 12В через DCDC 24/12 на коммутаторы, DCDC 24/5 на конвертера Вставить ник Quote
yKpon Posted November 8, 2018 Posted November 8, 2018 1 час назад, ShumBor сказал: Так тогда может самому сворганить 12в ups. Как у нас на крупных узлах сделано: http://www.mean-well.ru/store/ADD-155A/ + 17 Ач батарея (иногда две, но время заряда тогда вырастает в двое) и к нему уже коммутатор/конвертер, правда если нет rps, но бп на 12В, то эксплуатация у нас сама выводит 12В из коммутатора. Ну и знаем что хватает батареи на 6 часов, когда остается 2 часа - гонится машина с заряженными акумами, и их замена раз в 2 года. Агенты наши вообще стоят на 24В себе узел, но по схеме полного преобразования БП/ЗУ 24В -> батарея 24 Ач -> 24 В на микротики/UBNT, 12В через DCDC 24/12 на коммутаторы, DCDC 24/5 на конвертера плюсую за такую схему! ибо преобразовывать 220<>12/24/48<>220 имхо как то не по фуншую у нас маленький узел и биллинг крутится на 12 вольтовом упсе с 40 Ач батареей =)) Вставить ник Quote
SyJet Posted November 8, 2018 Posted November 8, 2018 А разве можно напрямую аккумулятор подключать к RPS? Там же Максимум по стандарту 13 вольт, а с батареи и при заряде поболе будет. К примеру узел. Два коммутатора. Один с бп с функцией ИБП и аккумулятором, а второй коммутатор просто с RPS разъемом. Вставить ник Quote
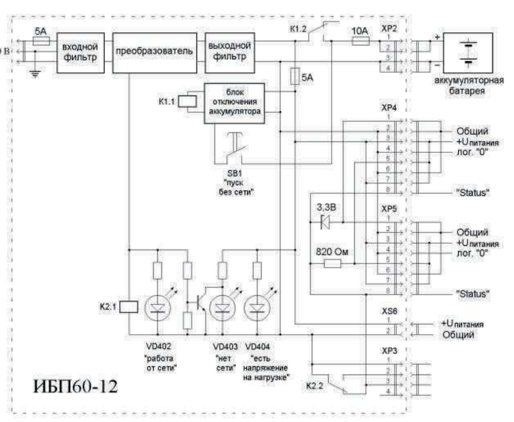
ShumBor Posted November 8, 2018 Posted November 8, 2018 @SyJet Ну как показывает практика лучше 16В не превышать ) Хотя у каждого свои требования, есть коммутаторы с 5в внутри, тогда еще dc/dc ставим. А так у ИБП60-12, что для Длинков использовали 13,8 на выходе, и акум напрямую в выход воткнут Но в вашей схеме скорее всего не вытянет бп 1 коммутатора Вставить ник Quote
SyJet Posted November 8, 2018 Posted November 8, 2018 Если на каждый коммутатор по 60-12, то тогда будет несколько аккумуляторов, что не есть хорошо. Хотелось бы с одного аккумулятора подать и на коммутатор с 60-12 и без. Вставить ник Quote
ShumBor Posted November 8, 2018 Posted November 8, 2018 У нас с одного питались 2 длинка (у него штатно 2 разъема на 2 длинка) + порядка 5 ubnt (линии коротки от узла, хватало 12В) Правда мы меняем акумы раз в 2-3 года. Вставить ник Quote
sol Posted November 8, 2018 Posted November 8, 2018 4 часа назад, SyJet сказал: Если на каждый коммутатор по 60-12, то тогда будет несколько аккумуляторов, что не есть хорошо. Хотелось бы с одного аккумулятора подать и на коммутатор с 60-12 и без. Надо питание на второй коммутатор забрать со штатного выхода ИБП60-12. Убедившись, что его 60 ватт хватит на обе нагрузки. В 25.10.2018 в 11:13, Susanin сказал: Добрый день. Зашли в небольшой поселок. Ящик на 12U установили в гараже. На данный момент в нем 2 OLT BDCOM на 4 порта. На следующий год добавим еще 3. В поселке после аварии происходят веерные отключения. Продлится эта катавасия еще год. Нужно обеспечить минимум 4 часа, а лучше 8 часов. Менеджер предложил вариант с https://shop.nag.ru/catalog/09839.On-line/17926.IBP-moschnostyu-1-kVA/19052.SNR-UPS-ONRM-1000-S36 + 3штуки https://shop.nag.ru/catalog/09836.IBP-UPS/09924.Bloki-batarej/19072.SNR-UPS-BCRM-1000-S36 из расчет на 3 часа. Решение стоит как генератор с автозапуском. Я смотрю на вариант https://shop.nag.ru/catalog/09836.IBP-UPS/12407.Invertory/10373.SNR-INV-1200-SK#tech + батарея https://shop.nag.ru/catalog/09851.Akkumulyatory/13634.SNR/09044.SNR-BAT-12-200 . Но опыта с расчетом таких систем нет. Можно ли будет на следующий год подключить второй АКБ ? В железном ящике обязательно делать вентиляцию ? Может просто инвертор сверху на ящик поставить (гараж закрыт)? Ну или может кто-то предложит свое проверенное решение ? 1. Если решение нужно на один год, то не берите дорогущую батарею с AGM. Возьмите обыкновенный автомобильный аккумулятор. И поставьте его не В шкаф, а РЯДОМ со шкафом. Он немного газит и его не желательно запирать в небольшом закрытом объёме. 2. Вариант с инвертором более "дубовый" (сложнее сломать/напортачить) но у него хуже КПД из за двойного преобразования 12в->220в в инверторе и потом 220в->внутреннее напряжение питания головы. С точки зрения КПД правильнее будет воспользоваться специализированным ИБП. Вообще, поглядите на внутреннее питание вашей головы. Велика вероятность, что там именно 12в. Ну и 100% должен быть её вариант с DC питанием 48в. 3. Если инвертор можно поставить на ящик и у него не отрастут ноги, на которых он уйдёт в самостоятельную жизнь, то, может быть, и ящик не очень нужен? Гараж тоже в каком то смысле ящик... Вставить ник Quote
SyJet Posted November 8, 2018 Posted November 8, 2018 5 часов назад, sol сказал: Надо питание на второй коммутатор забрать со штатного выхода ИБП60-12. Убедившись, что его 60 ватт хватит на обе нагрузки. А если такой ибп встроенный. Типа в коммутатор встроен, как сейчас СНР и Елтекс делает? Есть какой-нить стабилизатор 12 вольт, который можно подключить в rps и к самой батареи? Как я понимаю, тогда нам не важна выходная мощность встроенного «ипб» в первом коммутаторе? Вставить ник Quote
sol Posted November 8, 2018 Posted November 8, 2018 1 минуту назад, SyJet сказал: который бы модно было подключить в rps и к самой батареи? И который при этом имел бы своё питание от сети для мирного времени а питание в случае аварии осуществлялось бы с батареи рядом стоящего комплекта из SNR-S2985G-24T-UPS и батареи? Тогда делаем два реле. Одно отключает питание "пассажира" от аккумулятора при наличии сетевого питания (есть вариант с двумя диодами, но тогда напряжение дополнительного питателя должно быть немного выше любого возможного напряжения на аккумуляторе) а другое отключает пассажира от батарейки при её глубоком разряде. Его можно подвесить на внутренне напряжение питания SNR-S2985G-24T-UPS. Как батарея разрядилась и УПС, встроенный в SNR-S2985G-24T-UPS решил, что пора гасить коммутатор, так реле отпустит и обесточит пассажира. Вставить ник Quote
SyJet Posted November 8, 2018 Posted November 8, 2018 Да. Но про реле не думал. Как я понял, ничего готового не купить. И получится жуткий колхоз Вставить ник Quote
sol Posted November 8, 2018 Posted November 8, 2018 Две мелкие релюшки не кажутся мне колхозом... Вставить ник Quote
SyJet Posted November 8, 2018 Posted November 8, 2018 20 минут назад, sol сказал: Две мелкие релюшки не кажутся мне колхозом... Это когда электронщик есть :) Вставить ник Quote
sol Posted November 8, 2018 Posted November 8, 2018 Ну так он есть... Скрытый текст Ката меня ты пааааазавёшшшш! Вставить ник Quote
Saab95 Posted November 15, 2018 Posted November 15, 2018 Дешевый инвертор 12-24 в 220 с функцией заряда и несколько аккумуляторов (можно даже б/у автомобильные), тянут вполне несколько OLT в течении двух суток. И КПД значения не имеет. Вставить ник Quote
Susanin Posted November 15, 2018 Author Posted November 15, 2018 @Saab95 Подскажите модель конкретную. Что бы вот прям купил то и то и подключил. Вставить ник Quote
KotikBSd Posted November 15, 2018 Posted November 15, 2018 Использую для узлов: Энергия ПН-500 или Энергия ПН-1000 с батареями LEOCH DJM1275 или Leoch DJM 12100 проблем нет, последний раз 500тка с акумом 75ач держала узел из DGS-3428 1шт порядка 7-8 часов. тут нужно просто расчет сделать по потреблению какую батарею поставить... Вставить ник Quote
Zerozed Posted November 19, 2018 Posted November 19, 2018 Какая нагрузка хоть скажите Вставить ник Quote
Susanin Posted November 20, 2018 Author Posted November 20, 2018 @Zerozed По паспорту оборудования: максимальное потребление до 48ВТ. Сейчас таких три, через год будет шесть. Вставить ник Quote
Zerozed Posted November 20, 2018 Posted November 20, 2018 (edited) 2 часа назад, Susanin сказал: @Zerozed По паспорту оборудования: максимальное потребление до 48ВТ. Сейчас таких три, через год будет шесть. Всего 300ватт)) я бы поставил инвертор на 48-220 (какой нибудь штиль бюджетый), упс на 48 (ибэп, eaton), 4 agm батареи на 100ah и не думал бы часов 6-8 о питании. Бюджет какой? В 15.11.2018 в 17:51, KotikBSd сказал: Использую для узлов: Энергия ПН-500 или Энергия ПН-1000 с батареями LEOCH DJM1275 или Leoch DJM 12100 проблем нет, последний раз 500тка с акумом 75ач держала узел из DGS-3428 1шт порядка 7-8 часов. тут нужно просто расчет сделать по потреблению какую батарею поставить... У dgs 3428 потребление думаю все же меньше 300вт. Edited November 20, 2018 by Zerozed Вставить ник Quote
Susanin Posted November 20, 2018 Author Posted November 20, 2018 5 минут назад, Zerozed сказал: Бюджет какой? не раздутый :) Ищу оптимальный вариант. Лучше сейчас устройство/устройства и 2 АКБ, а потом просто докупить еще пару АКБ. Вставить ник Quote
satboy Posted November 20, 2018 Posted November 20, 2018 А у BDCOM на борту 12 вольт? Или какое-то другое напряжение используется? если да - то ставим MeanWell PSC- 35 или 60 прямо в корпус, выводим на попу клеммы под аккум... ну нет смысла 12-24-48 вольт поднимать в 220 и на БП OLT спускать обратно в 12 Вставить ник Quote
Recommended Posts
Join the conversation
You can post now and register later. If you have an account, sign in now to post with your account.