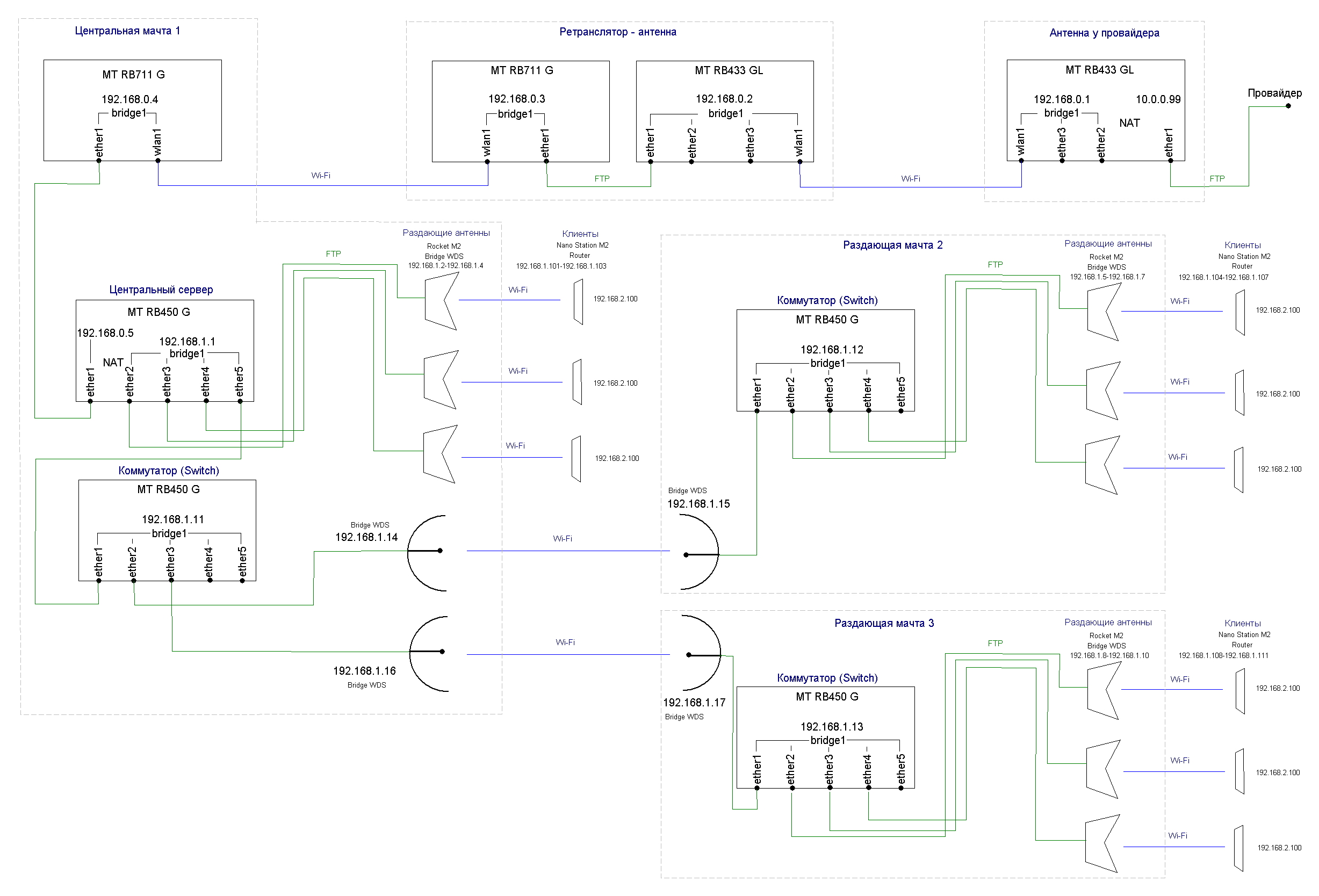
SashaGub Posted September 25, 2012 Posted September 25, 2012 (edited) Здравствуйте, уважаемые форумчани ! Обращаюсь с таким вопросом и прошу технической помощи. Есть сеть в которой сетевое оборудование находятся в одной подсети с пользователями: 1. Антенны, свитчи и серевер спрятаны за портами - зная IP адрес свитча и т.д. по стандартному 80 порту клиенты на него не попадут. 2. Клиентское оборудование находиться за NAT - все что делает клиент он мне не мешает. 3. На всех сетевых свитчах настроен фаервол который фильтрует бед и неверные пакет, частично широковещательный трафик, а также режет некоторые порты. 4. На всех антенна RocketM2 включена изоляция клиентов. 5. На клиентских точках настроен шейпер с чуть большим порогом чем на сервере - чтобы не перегружать Wi-Fi. В принципе эта сеть работает и нормально, пока не стал вопрос о расширении адресного потока, а также внутреннего понятия, что пора перестроить на VLAN чтобы не садить за NAT новые объекты подключения (населенные пункты). Что не нравится в этой схеме (выше представленной): 1. Все таки нету изоляции от широковещательного трафика. 2. Клиенты сидят за 3-йным NATом , а новые населенные пункты будут за 4-ым. В принципе схему сети по IP-адресам можно описать так: 10.0.0.99/192.168.0.1 <-> 192.168.0.5/192.168.1.1 <-> 192.168.1.101/192.168.2.2 Где: адрес 10.0.0.99 - выданный провайдером, / - слеш это NAT, 192.168.0.1 <-> 192.168.0.5 - магистраль 192.168.1.1 <-> 192.168.1.101 - антена - клиент 192.168.2.2 - IP компьютера клиента Вот в принципе можно увидеть схему на рисунке: Я не сталкивался еще с VLAN, почитал много литературы в интернете, но все равно остались вопросы. Из той схемы что есть у меня, хочу посадить каждую мачту (антенну) и клиентов, что сидят на ней в свой VLAN. Например: Центральная раздающая мачта VLAN ID 10 (10.10.10.0/24) Раздающая мачта 2 VLAN ID 11 (10.10.11.0/24) Раздающая мачта 3 VLAN ID 12 (10.10.12.0/24) Как создать VLANы на МikroTik и дать доступ через натирование - знаю, но не знаю как настроить маршрутизацию между выше указанными VLAN и как настроить MikroTik с другой стороны (на мачтах) чтобы клиенты наносы были с IP 10.10.10.2-10.10.10.100. P.S. Ребят, может кто-то может помочь в Киеве, за вознаграждение. P.S.S Понимаю что многие сейчас начнут что тема разжевана, пережеванная но ткните тогда носом куда смотреть, по форуму видел косвенные темы, но все не то. Edited September 25, 2012 by SashaGub Вставить ник Quote
Constantin Posted September 25, 2012 Posted September 25, 2012 P.S. Ребят, может кто-то может помочь в Киеве, за вознаграждение. это может помочь с любого места, инет это великая вещь..... Вставить ник Quote
Negator Posted September 25, 2012 Posted September 25, 2012 Ребят, может кто-то может помочь в Киеве, за вознаграждение. Эх, скоро отпуск, как раз собирался в том числе в Киев. Может совместить приятное с полезным.. Схема малопонятная. Но вы видимо решили наплодить кучу НАТ-ов. ЭТО неверно. Как рассказать о вланах -ума не приложу. Вставить ник Quote
himikell Posted September 25, 2012 Posted September 25, 2012 Нафиг вланы ? пару натов убрать и всё Вставить ник Quote
Saab95 Posted September 25, 2012 Posted September 25, 2012 Если все точки UBNT заменить на микротик то все станет работать значительно лучше, даже без разборки сети на вланы. Хотя вообще вланы - вчерашний день. Будущее за динамической маршрутизацией=) Вставить ник Quote
Constantin Posted September 25, 2012 Posted September 25, 2012 Хотя вообще вланы - вчерашний день. Будущее за динамической маршрутизацией=) что вы все таки курите???? такое забористое, перлы аж и сыпяться Вставить ник Quote
vlin Posted September 25, 2012 Posted September 25, 2012 (edited) Если все вланы терминировать на "Центральный сервер" то настройка роутинга не нужна, сервер будет видеть все сети напрямую и перебрасывать между ними пакеты. Я бы сделал так - на устройстве 192.168.1.11 создал влан №11 на порту езер1, этот влан и порт езер2 в отдельный бридж. Аналогично для порта 3 - влан №12 на порту езер1 и с портом езер3 в отдельный бридж. На 192.168.1.1 создать вланы №11 и №12 на порту езер5. На созданные вланы повесить ип с новых сетей - 10.10.11.1 и 10.10.12.1 соответственно. Настраивать особым образом микротики на мачтах не надо, ведь они используются как свичи. Надо только сменить ип и шлюзом прописать ип с влана центрального сервера, тоже сделать на раздающих антеннах. Можно убрать один нат возле провайдера - в точке "Антенна у провайдера" трафик с порта езер1 завернуть в влан, влан дотянуть до центрального сервера и на нем повесить ип 10.0.0.99. Итого останется два ната - один на вашем сервере и второй у клиента. Если все точки UBNT заменить на микротик то все станет работать значительно лучше, даже без разборки сети на вланы. Почему ? Денег на замену дадите ? Edited September 25, 2012 by vlin Вставить ник Quote
Saab95 Posted September 26, 2012 Posted September 26, 2012 Хотя вообще вланы - вчерашний день. Будущее за динамической маршрутизацией=) что вы все таки курите???? такое забористое, перлы аж и сыпяться Представьте что при схеме все вланы в центр один клиент на какой-то удаленной базе, качая поток данных порядка 10 мегабит в секунду отвалится от сети, и эти данные, адресованные ему, пойдут гулять по всей сети, создавая широковещательные штормы. Конечно можно на всех узлах зафильтровать вланы и т.п. Но сколько проблем. Когда проще присвоить каждой точке свой не зависимый IP, включить во всей сети OSPF, настроить MPLS или L2 через EoIP, L2TP и легко без проблем добавлять новые БС и другие устройства в сети. Если все точки UBNT заменить на микротик то все станет работать значительно лучше, даже без разборки сети на вланы. Почему ? Денег на замену дадите ? Потому что в арсенале микротика много всяких полезных настроек. А потраченные на замену деньги через полгода вернуться, т.к. можно в 2 раза увеличить тарифы и меньше гонять монтажников на решение проблем у клиентов. Вставить ник Quote
SSD Posted September 26, 2012 Posted September 26, 2012 Хотя вообще вланы - вчерашний день. Будущее за динамической маршрутизацией=) что вы все таки курите???? такое забористое, перлы аж и сыпяться Представьте что при схеме все вланы в центр один клиент на какой-то удаленной базе, качая поток данных порядка 10 мегабит в секунду отвалится от сети, и эти данные, адресованные ему, пойдут гулять по всей сети, создавая широковещательные штормы. Конечно можно на всех узлах зафильтровать вланы и т.п. Но сколько проблем. Когда проще присвоить каждой точке свой не зависимый IP, включить во всей сети OSPF, настроить MPLS или L2 через EoIP, L2TP и легко без проблем добавлять новые БС и другие устройства в сети. Шикарно, еще РРРоЕ стоит добавить для кошерности и стены в желтый перекрасить у админа на рабочем месте. Вставить ник Quote
SashaGub Posted September 26, 2012 Author Posted September 26, 2012 Сделал как описал vlin, на центральном например VLAN ID 12 (10.10.12.1) , VLANы с обратной стороны настроил на конечных свитчах (раздающие антены), а не на 192.168.1.11, в итоге свитчи по влану вижу пингую например 10.10.12.2, также перенастроил Рокету IP 10.10.12.3, шлюз 10.10.12.1 в итоге рокет не пингуется, но в Neighbors вижу под правильным IP, что сделал не так? Как достучатся к Рокету? Вставить ник Quote
SashaGub Posted September 26, 2012 Author Posted September 26, 2012 Или шлюзом должен быть ближайший свитч? Вставить ник Quote
SashaGub Posted September 26, 2012 Author Posted September 26, 2012 (edited) Эврика! Нашел! Нужно было VLAN ID 12 разтегировать, но пока остались вопросы. Edited September 26, 2012 by SashaGub Вставить ник Quote
SashaGub Posted September 26, 2012 Author Posted September 26, 2012 Вот выкладываю схемы, как необходимо настроить свитчи для снятия вланов: Мне как раз именно таких схем и не хватало... о чем я выше говорил, что как настроить центральный свитч знаю, а как именно свитчи для хостов не в курсе... А как например прокинуть vlan 14 дальше в ether5? Вставить ник Quote
vlin Posted September 26, 2012 Posted September 26, 2012 А как например прокинуть vlan 14 дальше в ether5? Создать влан14 на езер1 и езер5, по одному для каждого порта, итого два. Обьединить отдельным бриджем. Вставить ник Quote
SashaGub Posted September 26, 2012 Author Posted September 26, 2012 (edited) Создать влан14 на езер1 и езер5, по одному для каждого порта, итого два. Обьединить отдельным бриджем. Если я Вас правильно понял та как то так, верно? Видел ответ Saab95 в этом топике На Ether1 создаете e1_vlan10, e1_vlan20, e1_vlan30. Создаете Bridge1 и в него e1_vlan10 + Ether2. Создаете Bridge2 и в него e1_vlan20 + Ether3. На Bridge2 создаете b2_vlan30. Создаете Bridge3 и в него e1_vlan30 + b2_vlan30. То исходя из его схемы где vlan30 нужно было пробросить дальше, я понял вот так: Так все таки по какой схеме правильно? Или я что-то не понял... Edited September 26, 2012 by SashaGub Вставить ник Quote
SashaGub Posted February 14, 2013 Author Posted February 14, 2013 (edited) Не хотел открывать новую тему, а поднять старую. Подскажите, пожалуйста по VLANам на MikroTik, есть несколько вопросов. 1. Ситуация такая есть RB750, на каждом интерфейсе свой IP-адрес (ether2 - 10.10.10.1/24, ether3 - 10.10.11.1/24 и т.д.), как дать на все интрефесы управляющий VLAN ID 100? 2. Также есть RB750, на первый порт приходит 2 - VLANа, VLAN ID 12 растегируется, VLAN ID 100 нужно протранслировать (пробросить) дальше, так вот как это правильно сделать (протранслировать)? Edited February 14, 2013 by SashaGub Вставить ник Quote
SashaGub Posted February 14, 2013 Author Posted February 14, 2013 По второму вопросу сам себе и отвечаю нашел Saab95 ответ на форуме и применил для себя вот такой рисунок получился. Соответственно и действия: На Ether1 создаем vlan12 и e1_vlan100 Создаем Bridge1 и в него vlan12 и Ether2, Ether3, Ether4, Ether5. На Bridge1 создаем b1_vlan100 Создаем Bridge2 и в него e1_vlan100 и b1_vlan100. На вопрос первый ответа пока не нашел. Как кинуть vlan100 во все порты (LAN)? Вставить ник Quote
Saab95 Posted February 14, 2013 Posted February 14, 2013 На вопрос первый ответа пока не нашел. Как кинуть vlan100 во все порты (LAN)? Так создайте на каждом Ether по влану с номером 100, а потом объедините их в бридж. Вставить ник Quote
SashaGub Posted February 14, 2013 Author Posted February 14, 2013 Saab95, большое Вам спасибо, я что-то не додумался... , а вот по поводу моей нарисованной схемы с описанием проброса VLANa и растегирования в один и тот же порт я Вас правильно понял? Вставить ник Quote
Saab95 Posted February 14, 2013 Posted February 14, 2013 Saab95, большое Вам спасибо, я что-то не додумался... , а вот по поводу моей нарисованной схемы с описанием проброса VLANa и растегирования в один и тот же порт я Вас правильно понял? Как бы работать может и будет, но надо зафильтровать трафик из влана 100 на 1 порт, иначе может заворот трафика произойти. Не совсем понятна смысл забирать влан из порта и сразу же отправлять обратно данные из него. Вставить ник Quote
SashaGub Posted February 15, 2013 Author Posted February 15, 2013 Не совсем понятна смысл забирать влан из порта и сразу же отправлять обратно данные из него. А как правильно растегировать vlan12 с 1 порта на 2,3,4,5 порт и также с 1 порта на остальные отправить тегированым vlan 100 ? Вставить ник Quote
Constantin Posted February 15, 2013 Posted February 15, 2013 А как правильно растегировать vlan12 с 1 порта на 2,3,4,5 порт и также с 1 порта на остальные отправить тегированым vlan 100 ? создать бридж в котором физические порты на которые растагируешь влан и логические инты с меткой влана 100 куда его дальше тагированным отправить хочешь Вставить ник Quote
SashaGub Posted February 15, 2013 Author Posted February 15, 2013 создать бридж в котором физические порты на которые растагируешь влан... Это понятно. и логические инты с меткой влана 100 куда его дальше тагированным отправить хочешь Это не очень..., что значит "логические инты". Тегированным хочу отправить туда куда и растегированый. Вставить ник Quote
Constantin Posted February 16, 2013 Posted February 16, 2013 Тегированным хочу отправить туда куда и растегированый. непонимаю Вставить ник Quote
SashaGub Posted February 16, 2013 Author Posted February 16, 2013 Имелось ввиду что на роутер приходит 2 тегированых VLANа 12 и 100 на порт Ether1, где 12-й - клиентский и 100-й управления. Нужно например на Ether2 и Ether3 растегировать VLAN12 и в эти же порты оправить тегированым 100-й, за этими портами клиенты и точки доступа. Как растегировать 12й на порты я знаю, а как пробросит 100-й с этим пока затруднения. Вставить ник Quote
Recommended Posts
Join the conversation
You can post now and register later. If you have an account, sign in now to post with your account.