Jump to content

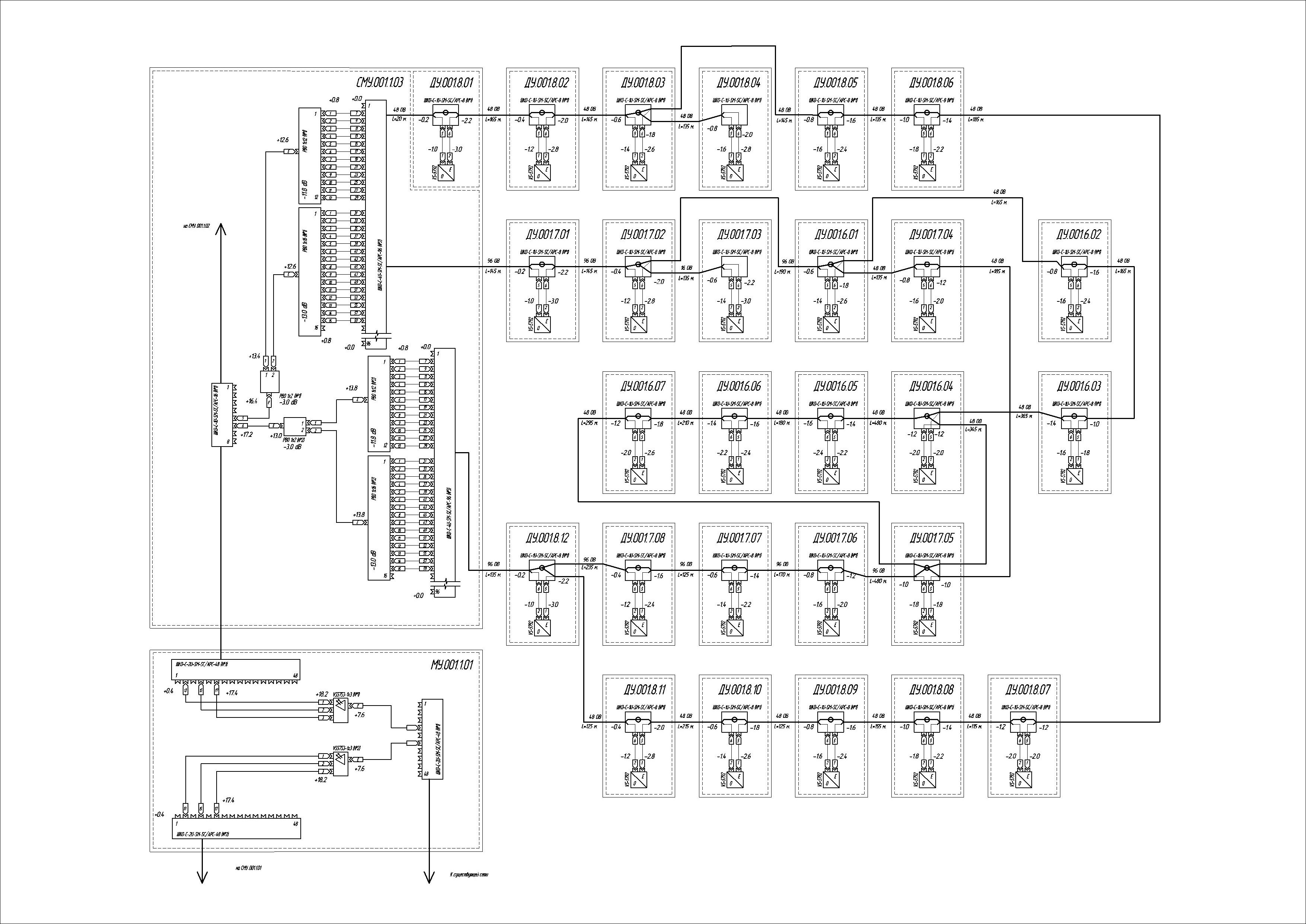
Оптический бюджет. Схема распределения ТВ сигнала


Recommended Posts

Posted

Подскажите пожалуйста, как правильно рассчитать на какую мощность настраивать усилитель для приложенной "схемы распределения ТВ сигнала". Отсчет Я начинал от самого дальнего приемника (не по расстоянию, а по промежуточным сваркам). На цифры на субмагистральном узле внимания не обращайте, тут Я и запнулся. Возможно проблема буде решена если будем использовать делители одинаковые, например только 1х16.

В общем, чтобы получить на входах приемников рекомендуемую входную мощность, от -3 до 0, Я начинаю отсчет от равноудаленных от делителей приемников в кольце. и начинаю отсчет от -2.0dB от обоих входов и считаю до усилителя прибавляя по 0.8 за каждую коммутацию и по 0.2 за каждую сварку в промежуточных кроссах (здесь же и километрическое). Проблема в том что на разных делителях разное затухание, и плюс нужно учитывать субмагистральный кабель.

post-94135-035682900 1346842893_thumb.jpg

Posted

считается что больше 17 дБ в волокно не загоняют, обычно про усилители с большой выходной мощностью пишут суммарную мощность по нескольким выходам

насколько я понимаю на каждый узел приходят волокна от головного оборудования целиковые (несколько сварок не в счет)

Join the conversation

You can post now and register later. If you have an account, sign in now to post with your account.

Guest
Reply to this topic...

×   Pasted as rich text.   Paste as plain text instead

  Only 75 emoji are allowed.

×   Your link has been automatically embedded.   Display as a link instead

×   Your previous content has been restored.   Clear editor

×   You cannot paste images directly. Upload or insert images from URL.

×
×
  • Create New...
На сайте используются файлы cookie и сервисы аналитики для корректной работы форума и улучшения качества обслуживания. Продолжая использовать сайт, вы соглашаетесь с использованием файлов cookie и с Политикой конфиденциальности.