AlKov Posted April 16, 2010 Posted April 16, 2010 Посоветуйте АВР (устройство автоматического ввода резервного питания) для "мелких" потребителей (до 200Вт). Железки нужны для альтернативного питания узлов агрегации (свитч, пара десятков медиаконвертеров, приемник и усилитель КТВ). Достали электрики с дебильной "профилактикой" домового эл. оборудования.. :( "Профилактика" сводится к банальному вываливанию мусора из эл. щитов в подъезд, а вот по времени может занимать 4-5 часов.. Результат - район из двух десятков домов в это время в ауте и краснеющий телефон ТП.. :( Вставить ник Quote
terrible Posted April 16, 2010 Posted April 16, 2010 APC сайт - поиск по слову switch а по хорошему ставьте батарейку на 7 часов, как рассчитать ёмкость - гугл. Вставить ник Quote
AlKov Posted April 16, 2010 Author Posted April 16, 2010 APC сайт - поиск по слову switchа по хорошему ставьте батарейку на 7 часов, как рассчитать ёмкость - гугл. Вариант с "долгоиграющим" UPS рассматривался. В нашем случае альтернативное питание (220в) дешевле и проще реализуется практически на всех узлах.Плюс ко всему, опираясь на конкретные условия, логичнее. Проблема одна (собственно сабж) - чем коммутировать.. Вставить ник Quote
zoro Posted April 16, 2010 Posted April 16, 2010 у самих руки нормальные? если да то сделать свое в течении 5 минут мелочи... 200Вт 220В грубо говоря 1А любое реле с этим справится... если по уму сделать то поставить http://www.novatek-electro.com/documentation_pef301.htm или два пускателя... Вставить ник Quote
dIMbI4 Posted April 16, 2010 Posted April 16, 2010 (edited) стандартная схема авр.- реверсивный пускатель 1-2 величины с коромыслом и любое реле.лампочки и ручное управление по вкусу. думаю в 600-1000р с коробочкой влезетее. у меня очень много где стоят такие штуки- питаниие только приходится тащить с соседнего квартала(чтобы от другой ТП),но надо непременно развязывать и фазу И НОЛЬ!!! т.к потенциал бывает между нулями 10-50вольт. ну если еще перестраховаться хотите- то на приходящий кабель поставить предохранительные варисторы-ставятся через некоторое расстояние по приходящему кабелю(в начале и конце например)-порядка 700р штука. кстати, видел на дин рейку, как сказал zoro, на 1 фазу. только там нуль общий, а при вводе кабеля с другой тп это неприемлимо. да и стоит такая коробочка 2.5-3к ру. лучший вариант -собрать самому и запихать в металлический ящик под 9-12автоматов. Edited April 16, 2010 by dIMbI4 Вставить ник Quote
AlKov Posted April 17, 2010 Author Posted April 17, 2010 ... если по уму сделать то поставить http://www.novatek-electro.com/documentation_pef301.htm Находил уже. Не катит.. У этой железки общий "нуль", об этом очень верно сказано ниже. стандартная схема авр.- реверсивный пускатель 1-2 величины с коромыслом и любое реле.лампочки и ручное управление по вкусу.С первым (пускатель с мех. блокировкой) имел очень продуктивный секс лет 15 назад, больше не желаю.. :) Второе (ручн. упр.) не катит, нужна полная автоматика.думаю в 600-1000р с коробочкой влезетее. у меня очень много где стоят такие штуки- питаниие только приходится тащить с соседнего квартала(чтобы от другой ТП),но надо непременно развязывать и фазу И НОЛЬ!!! т.к потенциал бывает между нулями 10-50вольт.ну если еще перестраховаться хотите- то на приходящий кабель поставить предохранительные варисторы-ставятся через некоторое расстояние по приходящему кабелю(в начале и конце например)-порядка 700р штука. кстати, видел на дин рейку, как сказал zoro, на 1 фазу. только там нуль общий, а при вводе кабеля с другой тп это неприемлимо. да и стоит такая коробочка 2.5-3к ру. лучший вариант -собрать самому и запихать в металлический ящик под 9-12автоматов. Насчет "собрать самому" - вариант обсуждался, но что-то навевает на мысль о том, что подобное "рукоделие" (с учетом стоимости комплектующих, затрат рабоч. времени и соотв. оплаты труда) выльется почти в те же деньги (если не более). Так-что сделать самому не всегда эффективнее, да и никогда не поздно. ;) Вставить ник Quote
satboy Posted April 17, 2010 Posted April 17, 2010 зачем что-то городить, когда есть готовое решение на DIN рейку РРМ77/3 + РЭК77/3 - на опте около 100 рублей комплект. Вставить ник Quote
AlKov Posted April 17, 2010 Author Posted April 17, 2010 зачем что-то городить, когда есть готовое решение на DIN рейку РРМ77/3 + РЭК77/3 - на опте около 100 рублей комплект. Гм.. И где тут "готовое решение"??? Пока вижу только один "кирпичик" для ручной сборки. P.S. satboy, Вы тему по диагонали читали? ;) Вставить ник Quote
satboy Posted April 17, 2010 Posted April 17, 2010 вводим два независимых ввода и получаем при отказе основного переключение на резерв не просто фазы - а ввод целиком! Вставить ник Quote
AlKov Posted April 17, 2010 Author Posted April 17, 2010 вводим два независимых ввода и получаем при отказе основного переключение на резерв не просто фазы - а ввод целиком!Еще раз - каким образом (схема) и на каких элементах собрать самостоятельно, мне известно, я ищу готовое изделие!Судя по всему, такового (удовлетворяющего поставленной задаче) в настоящее время не существует... Вставить ник Quote
satboy Posted April 17, 2010 Posted April 17, 2010 вам нужно чтобы в изделии было 2 вилки и одна розетка? что мешает их прикрутить к тому, что я показал??? Повторяю - это проверенная схема, на 30 узлах, за все время вылетела только одна релюха - заменена была за 5 секунд Вставить ник Quote
AlKov Posted April 17, 2010 Author Posted April 17, 2010 (edited) вам нужно чтобы в изделии было 2 вилки и одна розетка? что мешает их прикрутить к тому, что я показал??? Повторяю - это проверенная схема, на 30 узлах, за все время вылетела только одна релюха - заменена была за 5 секунд Гм.. Вы хотите сказать, что вот так? И подобное у Вас ни разу не "бабахнуло" ? А если "фазы" на входах будут разные? Это уже какбэ 380В, на коммутацию которых контактная группа РЭК77/3 вроде как совсем не предназначена (230В в описании, правда "номинальное").. Edited April 17, 2010 by AlKov Вставить ник Quote
Мимо проходил... Posted April 17, 2010 Posted April 17, 2010 Это уже какбэ 380В, на коммутацию которых контактная группа РЭК77/3 вроде как совсем не предназначена (230В в описании, правда "номинальное")..Был печальный опыт при такой схеме - в какой-то очередной раз при восстановлении основного напряжения от искры при переключении возникает дуга, замыкающая оба неподвижных контакта. Бздын-н-н-нь!!! Маловат воздушный зазор между контактами, не успевает дуга потухнуть.Думаю (точнее, кажется), что АВРов с коммутацией и нулевого провода Вы готовых не найдёте. Придётся делать самим. Именно на пускателях. Вставить ник Quote
zoro Posted April 17, 2010 Posted April 17, 2010 так может бабахнуть если потянет дугу, если поставить два реле то дуга не пойдет... Вставить ник Quote
satboy Posted April 17, 2010 Posted April 17, 2010 проводили испытания разными фазами, щелкали механическим таймером - 4 изменения в час, 2 недели с нагрузкой 1 киловат. Не бабахнуло. Вставить ник Quote
zoro Posted April 17, 2010 Posted April 17, 2010 проводили испытания разными фазами, щелкали механическим таймером - 4 изменения в час, 2 недели с нагрузкой 1 киловат. Не бабахнуло. Может, был реальный бах, и не раз :) поэтому в реальных АВР только при гарантированном выключении первого реле, включается второе... Вставить ник Quote
AlKov Posted April 17, 2010 Author Posted April 17, 2010 Это уже какбэ 380В, на коммутацию которых контактная группа РЭК77/3 вроде как совсем не предназначена (230В в описании, правда "номинальное")..Был печальный опыт при такой схеме - в какой-то очередной раз при восстановлении основного напряжения от искры при переключении возникает дуга, замыкающая оба неподвижных контакта. Бздын-н-н-нь!!! Маловат воздушный зазор между контактами, не успевает дуга потухнуть.Думаю (точнее, кажется), что АВРов с коммутацией и нулевого провода Вы готовых не найдёте. Придётся делать самим. Именно на пускателях. Дык и я про то же.. А вот "спутниковый_малчик" утверждает же, что у него даже с нагрузкой в 1 КВт не бахает! А я вот сомневаюсь.. ;)Сделать можно и на таких реле, только потребуется их 3 штуки, плюс две штуки реле времени (на задержку включения двух "силовых"). Тут уж 100% не бабахнет. Только вот громоздко все это получается, от того и хочется компактное "полуэлектронное" (типа этого - http://www.novatek-electro.com/documentation_pef301.htm) устройство Вставить ник Quote
dIMbI4 Posted April 17, 2010 Posted April 17, 2010 (edited) только так.... если токи коммутации большие обычно предусматривают пневматическую задержку при переключении в 5-х10 секунд. соответственно автоматики на вводах и выходе обязательно. пускачи обязательно с блокировкой пару. Edited April 17, 2010 by dIMbI4 Вставить ник Quote
straus Posted April 17, 2010 Posted April 17, 2010 Пускатель с одной катушкой 220В и двумя переключающими силовыми контактами. И всё. Ну ещё два автоматических выключателя, клеммная колодка и розетка. Всё можно на DIN-рейку. Вставить ник Quote
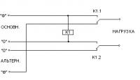
zoro Posted April 17, 2010 Posted April 17, 2010 два реле с 4рмя переключающими контактами, включаются последовательно... Сейчас поищу схему, если что с утра нарисую... применяем реле два реле OMRON LY4N-CR 220/240VAC заодно и индикация... Вставить ник Quote
dIMbI4 Posted April 17, 2010 Posted April 17, 2010 блин, учились ктонибудь на электро-энергетическом? нельзя делать авр на переключающих, да и не бывает переключающих реле на ток свыше 6 ампер- выгорит нахер.. обязательна взаимная блокировка и блокировочное реле. Вставить ник Quote
alks Posted April 17, 2010 Posted April 17, 2010 (edited) to dIMbI4 предложите ваш вариант реализации маломощного и дешевого АВР тема очень интересная 6А это примерно 1.3Квт - за глаза такая нагрузка для небольшого узла/выноса Edited April 17, 2010 by alks Вставить ник Quote
zoro Posted April 18, 2010 Posted April 18, 2010 для dIMbI4 Бывают :) смотри OMRON LY4N-CR 220/240VAC -10А OMRON LY2N-CR 220/240VAC -15А Ребята, если нагрузка 1А как в задании AlKov (200Вт) то подойдет любое реле с током около 10а на контакты, причем одно, если узел уже больше гдето около 1КВт то лучше поставить 2 реле... если больше 1квт то есть уже смысл городит стандартную АВР на контакторах... в случае AlKov я бы применил одно реле OMRON LY2N-CR 220/240VAC, ток на контакты 10А напряжение изоляции 2КВ+ искровой барьер... т.е. по току контакты превышают в 9 раз, дуга в данном случае не перехлестывается http://www.omron-pro.ru/Content/Industrial...alRelays/ly.htm если посмотреть на характеристики то можно обнаружить Max. switching power при cosф =1 240 W при cosф =0,4 120W при "компьютерном" cosф =0,8 как раз 200вт и выйдет... Вставить ник Quote
dIMbI4 Posted April 18, 2010 Posted April 18, 2010 только контакторы. реле созданы для цепей управления. контакторы для силовых цепей. обязательно применение двух контакторов с коромыслом+блокировочное реле. добавьте лампочки индикации входящих напряжений и переключатель ручной ввод1\ввод2 Вставить ник Quote
zoro Posted April 18, 2010 Posted April 18, 2010 только контакторы. реле созданы для цепей управления. контакторы для силовых цепей. обязательно применение двух контакторов с коромыслом+блокировочное реле. добавьте лампочки индикации входящих напряжений и переключатель ручной ввод1\ввод2 Почитайте паспорт реле... есть реле силовые... например такие ставят на привод насосов в системе вентиляции кондиционирования... на воздушные клапаны, работает и не первый год... Вставить ник Quote
Recommended Posts
Join the conversation
You can post now and register later. If you have an account, sign in now to post with your account.