apalex Posted January 14, 2007 Posted January 14, 2007 Здравствуйте люди добрые! Посмотрел предидущую тему о восстановлении dwl-g700ap для линукса - не получилось. 1. Ставил линукс suse 2. собрал кабель jtag wiggler 3. запустил ./configure --with-include=/include-0.4.2 из директории jtag-0.6-cvs-20051228 и под root и без него, configure проходит без ошибок а make install с двумя ошибками, из-за чего jtag не собрался 4. Пробовал все эти действия в winxp под cygwin все получилось, jtag запустился, а подключиться к lpt порту и к самой схеме не получилось пишет типа нет dev. Просьба, кто нибудь соберитесь с мужеством и опишите весь процесс подключения к dwl-g700ap попунктно и желательно для winxp и процесс перепрошивки. Вставить ник Quote
Barsick Posted January 15, 2007 Posted January 15, 2007 Здравствуйте люди добрые!Посмотрел предидущую тему о восстановлении dwl-g700ap для линукса - не получилось. 1. Ставил линукс suse 2. собрал кабель jtag wiggler 3. запустил ./configure --with-include=/include-0.4.2 из директории jtag-0.6-cvs-20051228 и под root и без него, configure проходит без ошибок а make install с двумя ошибками, из-за чего jtag не собрался 4. Пробовал все эти действия в winxp под cygwin все получилось, jtag запустился, а подключиться к lpt порту и к самой схеме не получилось пишет типа нет dev. Просьба, кто нибудь соберитесь с мужеством и опишите весь процесс подключения к dwl-g700ap попунктно и желательно для winxp и процесс перепрошивки. Попробуй поиграть с настройками порта из BIOS - EPP, ECP, etc. Вставить ник Quote
apalex Posted January 16, 2007 Author Posted January 16, 2007 (edited) Восстановление_G700AP.docПодключиться к DWL-G700AP удалось с помощью установки cygwin с пакетами gcc, ioperm запустил jtag все прошло как по ссылке http://forum.nag.ru/index.php?showtopic=19138&st=340 Залил слитый с рабочей АПН boot.bin через JTAG Подключил через LAN кабель и залил родной C54APM-G700AP.bin файл моих работ http://slil.ru/23775007 Edited January 19, 2007 by apalex Вставить ник Quote
atoa Posted January 21, 2007 Posted January 21, 2007 apalex.Просвети пожалуйста, что я делаю не так. Дохлая dwl-g700ap, установил cigwin, запустил, появилась надпись bash-3.2$, зашел в c:/cygwin/tmp/jtag, написал ./configure –with-include=c:/cygwin/tmp/include, дальше выскакивает сообщение bash: ./configure: /bin/sh: bad interpreter: No such file or directory. Вставить ник Quote
apalex Posted January 21, 2007 Author Posted January 21, 2007 (edited) apalex.Просвети пожалуйста, что я делаю не так. Дохлая dwl-g700ap, установил cigwin, запустил, появилась надпись bash-3.2$, зашел в c:/cygwin/tmp/jtag, написал ./configure –with-include=c:/cygwin/tmp/include, дальше выскакивает сообщение bash: ./configure: /bin/sh: bad interpreter: No such file or directory. Запусти установку CYGWIN заново и доустанови недостающие компоненты - bash через закладку с Select Paskages - "Keep". Edited January 21, 2007 by apalex Вставить ник Quote
Dr. Morg Posted January 21, 2007 Posted January 21, 2007 Что-то не хочет у меня шиться точка... :( Хорошо хоть флеш стала детектиться, а то несколько месяцев назад и этого не было :) Вот лог работы: jtag> detect IR length: 5 Chain length: 1 Device Id: 00010101001010000000000000001101 Manufacturer: Lexra Part: LX5280 Stepping: 1 Filename: /usr/local/share/jtag/lexra/lx5280/lx5280 chain.c(110) Part 0 without active instruction chain.c(133) Part 0 without active instruction jtag> detectflash 0x3fc00000 ImpCode=00001010110000000000000111100000 EJTAG version: <= 2.0 EJTAG Implementation flags: R4k ASID_8 MIPS32 Query identification string: Primary Algorithm Command Set and Control Interface ID Code: 0x0002 (AMD /Fujitsu Standard Command Set) Alternate Algorithm Command Set and Control Interface ID Code: 0x0000 (n ull) Query system interface information: Vcc Logic Supply Minimum Write/Erase or Write voltage: 2700 mV Vcc Logic Supply Maximum Write/Erase or Write voltage: 3600 mV Vpp [Programming] Supply Minimum Write/Erase voltage: 0 mV Vpp [Programming] Supply Maximum Write/Erase voltage: 0 mV Typical timeout per single byte/word program: 16 us Typical timeout for maximum-size multi-byte program: 0 us Typical timeout per individual block erase: 1024 ms Typical timeout for full chip erase: 0 ms Maximum timeout for byte/word program: 512 us Maximum timeout for multi-byte program: 0 us Maximum timeout per individual block erase: 16384 ms Maximum timeout for chip erase: 0 ms Device geometry definition: Device Size: 2097152 B (2048 KiB, 2 MiB) Flash Device Interface Code description: 0x0002 (x8/x16) Maximum number of bytes in multi-byte program: 1 Number of Erase Block Regions within device: 4 Erase Block Region Information: Region 0: Erase Block Size: 16384 B (16 KiB) Number of Erase Blocks: 1 Region 1: Erase Block Size: 8192 B (8 KiB) Number of Erase Blocks: 2 Region 2: Erase Block Size: 32768 B (32 KiB) Number of Erase Blocks: 1 Region 3: Erase Block Size: 65536 B (64 KiB) Number of Erase Blocks: 31 jtag> flashmem 0x3fc00000 c:\boot Chip: AMD Flash Manufacturer: Macronix Chip: MX29LV160B Protected: 0000 program: flash_unlock_block 0x3FC00000 IGNORE block 0 unlocked flash_erase_block 0x3FC00000 flash_erase_block 0x3FC00000 DONE erasing block 0: 0 ejtag.c(139) No processor access, ctrl=00000000000000000000000000000000 ejtag.c(152) PrAcc bad alignment: addr=0x1fff70ff ejtag.c(152) PrAcc bad alignment: addr=0x1fff70ff ejtag.c(139) No processor access, ctrl=00000000000100100100000000001000 ejtag.c(139) No processor access, ctrl=00000000001000100100000000001000 ejtag.c(139) No processor access, ctrl=00000000000100100100000000001000 flash error Вставить ник Quote
Dr. Morg Posted January 21, 2007 Posted January 21, 2007 (edited) Ещё вот такие чудеса бывают: jtag> flashmem 0x3fc00000 c:\boot Chip: AMD Flash Manufacturer: Macronix Chip: MX29LV160B Protected: 0000 program: flash_unlock_block 0x3FC00000 IGNORE block 0 unlocked flash_erase_block 0x3FC00000 flash_erase_block 0x3FC00000 DONE erasing block 0: 0 ejtag.c(139) No processor access, ctrl=00000000000000000000000000000000 flash error jtag> flashmem 0x3fc00000 c:\boot Chip: AMD Flash Manufacturer: Macronix Chip: MX29LV160B Protected: 0000 program: flash_unlock_block 0x3FC00000 IGNORE block 0 unlocked flash_erase_block 0x3FC00000 flash_erase_block 0x3FC00000 DONE erasing block 0: 0 ejtag.c(132) Reset occurred, ctrl=11111111001000000000001000001000 ejtag.c(152) PrAcc bad alignment: addr=0x113f3fdf ejtag.c(152) PrAcc bad alignment: addr=0x113f3fdf ejtag.c(139) No processor access, ctrl=00000000000100100000000000001000 ejtag.c(139) No processor access, ctrl=00000000000100100100000000000100 ejtag.c(139) No processor access, ctrl=00000000000100100000000000001000 ejtag.c(152) PrAcc bad alignment: addr=0x113f3fdf ejtag.c(139) No processor access, ctrl=00000000100100000000000000000001 ejtag.c(139) No processor access, ctrl=00000000000100100100000000001000 ХЗ вообще чо этой флешке нужно... :-/ Проделал ту же процедуру под Линухом,- абсолютно аналогичная картина! :-/ Мне непонятно только одно,- точка лежала несколько месяцев мёртвым грузом, до этого когда я её пытался восстановить флеш вообще отказывалась детектиться, а сегодня вдруг её осенило и она стала определяться, но теперь не шьётся. :) Видима рано взял,- нужно ещё пару месяцев чтобы полежала - потом и шиться начнёт!!! :)))))))))) А если серьёзно,- уже достали глюки эти с JTAG... на Linksys WRT54G были закидоны, но не до такой же степени... :-/ Edited January 21, 2007 by Dr. Morg Вставить ник Quote
Dr. Morg Posted January 21, 2007 Posted January 21, 2007 файл моих работ http://slil.ru/23775007 Вопрос на засыпку,- для чего ты напаял провод и резюк на +3.3в на правом 6-ти пиновом хедере? Вставить ник Quote
apalex Posted January 22, 2007 Author Posted January 22, 2007 (edited) файл моих работ http://slil.ru/23775007Вопрос на засыпку,- для чего ты напаял провод и резюк на +3.3в на правом 6-ти пиновом хедере? Резюк нужен для включения функции JTAG при программировании через программатор jtag под cygwin для xp или под linux иначе ты на флэшку ничего не сможешь записать. А в начале я дал две ссылки: 1. Восстановление_G700AP.doc ( 244 килобайт ) и 2. файл моих работ http://slil.ru/23775007 где расположен boot.binjtag для jtag программирования и после заливаешь через LAN прошивку от концептроника исправленную для dwl-g700ap - есть на этом же форуме. А чтобы все детектилось нужно перед началом заливки сбросить точку (закоротить два левых разъема на схеме см. рис. апн) и дать несколько раз detectflash до правильного вывода информации. ГЛАВНАЯ ОШИБКА ВСЕХ (И МЕНЯ) ЧИТАЙТЕ ВНИМАТЕЛЬНО!!! Edited January 22, 2007 by apalex Вставить ник Quote
Dr. Morg Posted January 22, 2007 Posted January 22, 2007 Резюк нужен для включения функции JTAG при программировании через программатор jtag под cygwin для xp или под linux иначе ты на флэшку ничего не сможешь записать.А в начале я дал две ссылки: 1. Восстановление_G700AP.doc ( 244 килобайт ) и 2. файл моих работ http://slil.ru/23775007 где расположен boot.binjtag для jtag программирования и после заливаешь через LAN прошивку от концептроника исправленную для dwl-g700ap - есть на этом же форуме. А чтобы все детектилось нужно перед началом заливки сбросить точку (закоротить два левых разъема на схеме см. рис. апн) и дать несколько раз detectflash до правильного вывода информации. ГЛАВНАЯ ОШИБКА ВСЕХ (И МЕНЯ) ЧИТАЙТЕ ВНИМАТЕЛЬНО!!! На счёт как заливать и т.п. - с этим давно всё ясно, вопрос именно в проблеме с детектом флеша был, но отпал уже,- теперь проблема в записи на флеш.1. Резюк 1кОм на +3.3в на правом 6-ти контактном хедере паяю к 4-ой ноге сверху. 2. Верхние два контакта хедера замыкаю. 3. Не понятно что делать с 6-ой ногой,- то ли напрямую к +3.3в, то ли через резюк 10кОм. Откуда информация по этому хедеру? У dgreen ни слова о нём не было в описании. Вставить ник Quote
Dr. Morg Posted January 22, 2007 Posted January 22, 2007 (edited) Было бы проще ориентироваться в описании, если бы вы писали маркировку элементов, к которым паяться и так, чтобы не было как у dgreen: "Взял 1К резистор, и акуратно припаял его одной ногой на плату. Другой прияпаял к джамперу, и джампер - к +3.3В. В итоге, после установки перемычки решим JTAG должен включаться. (фотки завтра выложу). " - куда ногой на плату имелось в виду? О каком джампере речь? И что за перемычка? О_о Фотки он так и не выложил... :( Опишите хорошо и я залью оописание в вики проекта, чтобы больше эта тема не всплывала, а то до сих пор нет толкового описания прошивки через JTAG от людей, кому это удалось. :-/ Edited January 22, 2007 by Dr. Morg Вставить ник Quote
apalex Posted January 23, 2007 Author Posted January 23, 2007 (edited) Было бы проще ориентироваться в описании, если бы вы писали маркировку элементов, к которым паяться и так, чтобы не было как у dgreen: "Взял 1К резистор, и акуратно припаял его одной ногой на плату. Другой прияпаял к джамперу, и джампер - к +3.3В. В итоге, после установки перемычки решим JTAG должен включаться. (фотки завтра выложу). " - куда ногой на плату имелось в виду? О каком джампере речь? И что за перемычка? О_оФотки он так и не выложил... :( Опишите хорошо и я залью оописание в вики проекта, чтобы больше эта тема не всплывала, а то до сих пор нет толкового описания прошивки через JTAG от людей, кому это удалось. :-/ Правый хедер я организовал чисто для себя (мне так было удобно включать и выключать резистор 1к), по сути дела ножки хедера кроме первой снизу НЕ ЗАДЕЙСТВОВАННЫ!!! а ВЫ МОЖЕТЕ ХОТЬ В ВОЗДУХЕ ПРИПАЯТЬ РЕЗИСТОР И ОТПАИВАТЬ ПО КАЖДОМУ СЛУЧАЮ ВКЛ ВЫКЛ JTAG!!! А на момент отладки апн таких случаев может быть много. Взять 1К резистор и акуратно припаять его одной ногой к выводу 147 (ANTSEL+) RTL8186, а другой прияпаять к джамперу, и джампер - к +3.3В. Что у меня и организованно на правом разъеме с помощью двух проводов идущих под платой. На разъеме запитана только одна нога через резистор 10 к, остальные ножки не используются. Поэтому куда паять провода на свободные места - не принципиально. PS Обязательно указать расширение при заливке boot.bin Пример jtag> flashmem 0x3fc00000 c:/boot.bin ЧИТАЙТЕ И СМОТРИТЕ ФОТО ВНИМАТЕЛЬНО!!! Edited January 23, 2007 by apalex Вставить ник Quote
Dr. Morg Posted January 23, 2007 Posted January 23, 2007 Правый хедер я организовал чисто для себя (мне так было удобно включать и выключать резистор 1к), по сути дела ножки хедера кроме первой снизу НЕ ЗАДЕЙСТВОВАННЫ!!! а ВЫ МОЖЕТЕ ХОТЬ В ВОЗДУХЕ ПРИПАЯТЬ РЕЗИСТОР И ОТПАИВАТЬ ПО КАЖДОМУ СЛУЧАЮ ВКЛ ВЫКЛ JTAG!!! А на момент отладки апн таких случаев может быть много.Взять 1К резистор и акуратно припаять его одной ногой к выводу 147 (ANTSEL+) RTL8186, а другой прияпаять к джамперу, и джампер - к +3.3В. Что у меня и организованно на правом разъеме с помощью двух проводов идущих под платой. На разъеме запитана только одна нога через резистор 10 к, остальные ножки не используются. Поэтому куда паять провода на свободные места - не принципиально. Гораздо понятнее теперь что и куда паяется. :) PS Обязательно указать расширение при заливке boot.binПример jtag> flashmem 0x3fc00000 c:/boot.bin В чём принципиальность заливки именно с таким именем?Утилита же пишет содержимое файла начиная с указаного в ручную адреса (начало флеша) 0x3fc00000, т.е. имя по сути роли не играет никакой. Или был прецедент, что с другим именем файл не заливался? ЧИТАЙТЕ И СМОТРИТЕ ФОТО ВНИМАТЕЛЬНО!!!Было бы гораздо понятнее смотреть на фото, если бы было фото с обратной стороны платы, а то крайне не ясно куда уходят провода... :-/ Вставить ник Quote
Dr. Morg Posted January 23, 2007 Posted January 23, 2007 В общем, флеш так и не шьётся... :-/ Записываются первые несколько байт и всё,- дальше провал... :( Устал уже биться с ней... :-/ Вставить ник Quote
apalex Posted January 24, 2007 Author Posted January 24, 2007 (edited) В общем, флеш так и не шьётся... :-/Записываются первые несколько байт и всё,- дальше провал... :( Устал уже биться с ней... :-/ 1. Проверь кабель (по какой схеме собран? DLC5 или WIGGLER)2. Проверь сборку JTAG программы (строки похожи на ошибки) ejtag.c(132) Reset occurred, ctrl=11111111001000000000001000001000 139, 152 3. Попробуй включение Jtag на апн через 1к и 10к 4. Попробуй впаять новую ПЗУ Если не поможет то затраты не соизмеримы со стоимостью.... Из-за чего вообще АПН перестала работать? Edited January 24, 2007 by apalex Вставить ник Quote
Dr. Morg Posted January 24, 2007 Posted January 24, 2007 1. Проверь кабель (по какой схеме собран? DLC5 или WIGGLER)Кабелем перешито несколько Linksys'ов - всё ок, да и если бы были с ним траблы - не детектилось бы нифига.Уж и кольцо феритовое приделал - думал помехи на него, хотя длина меньше 10см. 2. Проверь сборку JTAG программы (строки похожи на ошибки)ejtag.c(132) Reset occurred, ctrl=11111111001000000000001000001000 139, 152 Под Линухом те же грабли, что и под сигвином в винде.Пробовал уже разные версии софтины собирать - аналогично всё. 3. Попробуй включение Jtag на апн через 1к и 10к10к попробую сёдня,- отпишусь чво вышло. 4. Попробуй впаять новую ПЗУхехе, была б новая ещё, да и что могло с этой стать от заливки кривого бутлоадера? О_о Если не поможет то затраты не соизмеримы со стоимостью....Из-за чего вообще АПН перестала работать? См. выше,- залил кривой бутлоадер, пришлсоь восстанавливать через JTAG. Вставить ник Quote
Srud Posted January 31, 2007 Posted January 31, 2007 Помогите ПЛЗ!!! Пробую установить JTAG на Mandriv-у. Config проходит, Make - пишет 2 ошибки(Flash.o и еще чтото). Cygwin под Виндой вааще не пашет. Посоветуйте что-нить или скинте линки. Заранее благодарен. С ув. SRUD Вставить ник Quote
nezhdan Posted February 27, 2007 Posted February 27, 2007 (edited) Кабелем перешито несколько Linksys'ов - всё ок, да и если бы были с ним траблы - не детектилось бы нифига.Уж и кольцо феритовое приделал - думал помехи на него, хотя длина меньше 10см. Надеюсь, ты ещё не бросил это занятие;-). Вот только что я неделю бился над таким роутером: http://www.ixbt.com/comm/wrls-orient-wr514r.shtml Картина та же, что и у тебя. И на DLC5, и на Wiggler. Замучился. Результат: Я подал питание на Wiggler'овский 74244 (у меня применён 555АП5) не 3,3, а 5 вольт, взяв его с PS/2, и убрал светодиод WLAN, который сидит на том же выводе RTL8186, что и Jtag'овский TCK. Всё. Шьётся без проблем. Уже несколько раз;-). Другое дело, что этот агрегат, хоть и имеет флешку на 2 МБ и ОЗУ на 16, но при старте Linux пишет, что ОЗУ 8, а во флешку шьётся явно только 1 мег. Надо будет покопаться в схеме - может, одна нога адресная не заведена ни туда, ни туда... Пока что в него шьётся только прошивка от G700AP (в т.ч. от C54AM) - а это AP, а не роутеры, - и с глюками - от WRT-311 и GWP-301. То есть как раз те, что не превышают мегабайта. А всего-то началось с того, что у него ма-аленький глюк в родной прошивке - NAT работает "в обе стороны" ;-) - все ВХОДЯЩИЕ соединения идут от имени IP роутера. Ни на сервере статистику не посмотреть, ни кульхацкеров не забанить, ни в осле скорость не поднять - куча народу банится автоматом:-(. Ладно, буду разбираться, чего и тебе желаю. Edited February 27, 2007 by nezhdan Вставить ник Quote
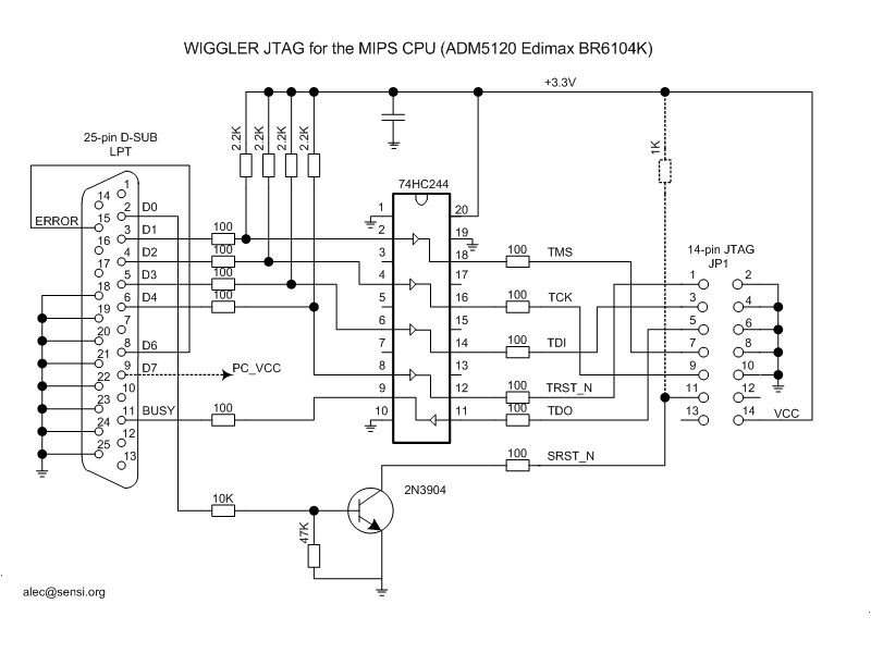
win Posted March 2, 2007 Posted March 2, 2007 jtag.bmpРебзи! вот хорошая статейка про восстановление 700й апехи как раз я заливал прошивку от 7206apg и мне кажется в этот момент проглючело (может флешка оказалась слишком мала для этой прошивки) ну да ладно. установил я cygwin и собрал кабель простой с резисторами (да поставил какие были 100, 100, 120, и 145 Ом) ну небыло у меня всех на 100R. В итоге (((( Вставить ник Quote
nezhdan Posted March 2, 2007 Posted March 2, 2007 А как ты собирал jtag? Такое ощущение, что make ты сделал, а make install - нет. А резисторы - поставь самый маленький на TDO, там просто от RTL8186 сигнал слабоват, не все параллельные порты его нормально видят. Но это после того, как jtag перестанет ЭТУ ошибку выдавать. Вставить ник Quote
win Posted March 2, 2007 Posted March 2, 2007 я ехешники понакидал и недостающие dll от ioperm и запустил Вставить ник Quote
nezhdan Posted March 2, 2007 Posted March 2, 2007 Не-е... Надо по правилам;-). Поставить cygwin. Распаковать исходники jtag. Распаковать инклуды. Запустить cygwin. И - как в ReadMe:-) - зайти в каталог с инклудами, сделать ./configure, make (он скажет, что ничего не надо;-), make install, зайти в каталог с исходниками jtag'а, проделать те же три операции (теперь make не будет говорить, что делать нечего;-) - и при каждой из них убеждаться, что ошибок не вылезло. А уж потом ioperm и jtag - и наслаждаться прошивкой всего подряд, если получится;-). Линукс всё-таки... Вставить ник Quote
win Posted March 4, 2007 Posted March 4, 2007 да мне кажется точке кирдык попробовал подрубиться через J2 UART -ноль эмоций.. ((( для визуализации даже собрал на транзисторе и светодиоде пробник- при включении точки на ноге TX ни чего нет ((( тишина. Вставить ник Quote
nezhdan Posted March 4, 2007 Posted March 4, 2007 да мне кажется точке кирдыкпопробовал подрубиться через J2 UART -ноль эмоций.. ((( для визуализации даже собрал на транзисторе и светодиоде пробник- при включении точки на ноге TX ни чего нет ((( тишина. А резистор, включающий JTAG, правильно поставил? У меня было - поставил-то правильно, да та нога антенного переключателя была посажена на землю через меньший резистор - вот JTAG и не включался;-). А ещё - светодиод, подключенный к ноге TCLK, мешал сильно - уровень нуля поднимал бешено - пока его не выпаял - стабильной работы не было. Сейчас, правда, просто выкинул 100 ом, которые на этом проводе висели от 555АП5, и впаял светодиод на место - так тоже работает. Вставить ник Quote
win Posted March 4, 2007 Posted March 4, 2007 да я про консоль пишу при чём тут jtag? Вставить ник Quote
Recommended Posts
Join the conversation
You can post now and register later. If you have an account, sign in now to post with your account.