MaksMMS Posted December 4, 2006 Posted December 4, 2006 Только с нестандартными прошивками по-моему, прекрасно работает. (стандартную ни разу не пользовал) :) Вставить ник Quote
Barsick Posted December 5, 2006 Posted December 5, 2006 У меня пара штук стоит, прошивки концептроник А вообще - курить тут: http://forum.nag.ru/index.php?showtopic=19138 Вставить ник Quote
ol19963 Posted December 5, 2006 Posted December 5, 2006 Родную прошивку тоже можно перевести в клиента. Но толку с нее мало. Вставить ник Quote
mike475 Posted December 5, 2006 Author Posted December 5, 2006 всмысле толку мало ? я почему вообще этот топик начал, мы просто ставим 2100 е в режиме клинта , 700 на 20 баксов дешевле вопрос зачем платить больше ? Вставить ник Quote
ol19963 Posted December 5, 2006 Posted December 5, 2006 Толку мало с оригинальной прошивкой. Хотя в зависимости от условий. Вставить ник Quote
P-snake Posted December 6, 2006 Posted December 6, 2006 Прошивку бери здесь: http://sourceforge.net/project/showfiles.php?group_id=171153 как прошивать: Для начала качаешь отсюда http://tftpd32.jounin.net/ tftp сервер,извлекаешь из архива прямо в корень диска С ,туда же ложишь прошивку,для удобства переименуй её,например С54 ,затем идешь,сеть, свойства,подключение по локальной сети,свойства,протокол инета(TCP/IP) и добовляешь адрес,например 192.168.1.15,можешь сразу ещё добавить 10.0.0.15 применяешь. Включаешь точку с накжатой кнопкой reset, через 5-6 секунд отпускаешь и запускаешь tftpd32 ,в окне' server interfaces'выбираешь 192.168.1.15,нажимаешь кнопку'tftp client' и в окне 'host' пишешь 192.168.1.6, в окне "file"пишешь С54.bin и нажимаешь кнопку Put. прошивка пошла ,жди пока она сама перезагрузится. после перепрошивки точка доступна по адресу 10.0.0.1. Это мой метод,возможно есть и другие,я заодно ещё и Bootloader меняю на 1.4,но это чревато,если что пойдёт не так,надо будет JTAG паять.У меня есть спаяный....:) Вставить ник Quote
mike475 Posted December 6, 2006 Author Posted December 6, 2006 еще вопрос, родную обратно залить можно так что бы следов после себя не оставить, наслучай если надо будет в сервис отдавать ? Вставить ник Quote
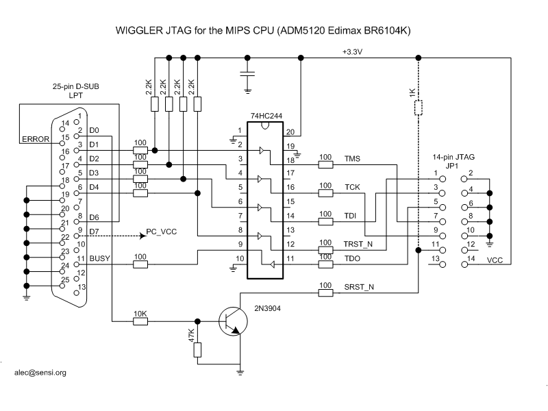
arcad38 Posted December 6, 2006 Posted December 6, 2006 Это мой метод,возможно есть и другие,я заодно ещё и Bootloader меняю на 1.4,но это чревато,если что пойдёт не так,надо будет JTAG паять.У меня есть спаяный....:) вопрос каким JTAG пользуетесь, и софт какой Вставить ник Quote
P-snake Posted December 7, 2006 Posted December 7, 2006 (edited) схема Jtag ,а софт брал здесь: http://www.amelek.gda.pl/rtl8181/jtag/ и здесь: http://openwince.sourceforge.net/include/ правда пришлось Линух на другой машине ставить,так что теперь стараюсь всё аккуратно делать,что бы к помощи Jtag не прибегать :) P.S.Только я транзистор непаял,и без него всё работает. Edited December 7, 2006 by P-snake Вставить ник Quote
Barsick Posted December 7, 2006 Posted December 7, 2006 (edited) как прошивать: Для начала качаешь отсюда http://tftpd32.jounin.net/ tftp сервер А чем не мил виндовый tftp.exe? Требуется только режим клиента Edited December 7, 2006 by Barsick Вставить ник Quote
P-snake Posted December 8, 2006 Posted December 8, 2006 Да мил он мил :).Просто я к этому ещё со времён,не к ночи будь помянутому,2100 привык.Я же упомянул,что это МОЙ метод и он отнють не исключает других,тут уж кому как удобней :) Вставить ник Quote
TigRis Posted December 9, 2006 Posted December 9, 2006 (edited) Люди, не заморачивайтесь. DWL-g700AP в режиме точки прелестнейше работает с DWL-g2100AP переведенной в режим клиента и с SURECOM EP-9600GP в режиме клиента. Я сам помучался - а все просто - выключить доступ по маку и включить WPA фильтрацию... А использовать 700 в режиме клиента - себе дороже... Просто при коннекте не используется мак точки, а используется мак радио интерфейса, как его найти простыми методами - не знаю. Так что выключить доступ по мак и все будет просто замечательно :) А вот как подружить WPA аутентификацию и режим репитера - этого я не знаю... у меня так и не получилось... Ну не хочет точка коннекта... а WEP ставить плохо - взламывается быстро. А все из-за того , что к одной точке коннектится сразу и роутеры под фрей и точки в режиме клиента. Так что режим WDS не катит :( Edited December 9, 2006 by TigRis Вставить ник Quote
Kalina Posted December 21, 2006 Posted December 21, 2006 (edited) Я прошил DWL-G700AP прошивкой C54APM-G700AP.bin (через TFTP) и не смог попасть в конфигурацию ни через веб интерфейс ни через telnet пытался по адресам 192.168.0.50 и 10.0.0.1 Потом решил залить D-Link овскую dwl-g700ap_v210r14_0330.bin и тоже самое, не могу попасть в него :) , горят два светодиодика постоянно, а WLAN мигает. заливал через TFTP ошибок ни каких не выдавал, тока что-то очень быстро 5 сек. перерыл кучу форумов, но для (чайников типа меня) подробно ничего нет, все делаю как пишут но не понимаю даже прошилась и я не могу просто влезть в него, или не прошилось и я убил девайс. что мне нужно - прошить один DWL-G700AP чтоб был клиентом. Прошу вас помогите мне. постучитесь ко мне ICQ#: 331-804-678 Edited December 21, 2006 by Kalina Вставить ник Quote
P-snake Posted December 21, 2006 Posted December 21, 2006 Попробуй комп перезагрузи и точку кнопкой резетни,быват иногда такое... Вставить ник Quote
Kalina Posted December 21, 2006 Posted December 21, 2006 Спасибо огромное DimaR все, все проблемы решены. к "Гурам" ребята а можно создать какой нить Help для таких как я, на самом деле вся проблема в том что инфы много, она вся разрознена, толковых советов с толковыми ссылками, просто нет начинаешь форум читать вроде все есть, а как до дела доходит то там непонятки, то там, есть прошивка-нет инструкции, есть инструкция -нет прошивки. Простите за Офтоп. Вставить ник Quote
chini Posted January 7, 2007 Posted January 7, 2007 Подскажите, как включить NAT в прошивке Wive-5.7 в режиме клиента? iwpriv wlan0 set_mib nat25_disable=0 не помогает. iptables -t nat -A POSTROUTING -o wlan0 -j SNAT --to-source xxx.xxx.xxx.xxx тоже Вставить ник Quote
stasb Posted January 9, 2007 Posted January 9, 2007 легче-всего обновить прошивку через веб-инерфейс. http://files.unn.ru/1692730850 - dlink'овская прошивка для dlink-g700ap с поддержкой client'ского режима. Вставить ник Quote
mike475 Posted January 13, 2007 Author Posted January 13, 2007 а пробовал ее кто ? добрые люди ? Вставить ник Quote
DJ[exЕжик] Posted January 13, 2007 Posted January 13, 2007 так у G700AP есть режим репитера, чем он вам не мил? зачем режим клиента? Вставить ник Quote
rsst Posted January 13, 2007 Posted January 13, 2007 ' date='13.1.2007, 10:59' post='231539']так у G700AP есть режим репитера, чем он вам не мил? зачем режим клиента? Кстати, он достаточно криво работает этот режим, если его использовать в режиме "типа клиент". Например ходит в инет через сервер с NATом не получается. А с полноценным режимом "клиент" все работает. Вставить ник Quote
P-snake Posted January 13, 2007 Posted January 13, 2007 Режим клиента на штатной прошивке через консоль: 1)flash set WLAN0_MODE 1 2)reboot клиент готов. Вставить ник Quote
stasb Posted January 14, 2007 Posted January 14, 2007 (edited) Режим клиента на штатной прошивке через консоль:1)flash set WLAN0_MODE 1 2)reboot клиент готов. В штатной прошивке нет сканирования сети, а в новой этот трюк не проходит. Кстати, flash set WLAN0_MODE 1 можно сдклать через изменение конфиг-файла, без пайки консоли, только при наличии прошивки с клиентским режимом это уже не актуально. Edited January 14, 2007 by stasb Вставить ник Quote
DJ[exЕжик] Posted January 14, 2007 Posted January 14, 2007 а кстати вопрос на ту же тему режима клиента только в точке DWL-2100AP, при включении режима клиента к АП точка привязывает только к одному мак адресу (к сетевухе с которой она была установлена клиентом), так и должно быть? Вставить ник Quote
Recommended Posts
Join the conversation
You can post now and register later. If you have an account, sign in now to post with your account.