rst630 Posted July 2, 2006 Posted July 2, 2006 по схеме нужны диоды 1n4937 10шт. какие аналоги можно взять? еще нужен один диод 1.5ke6.8CA в городе нашел только 1.5ke6.8A - можноли ставить его? Или это совершенно разные вещи? а также сног сбился искать газоразрядник на 90В, ну нету их в Новосибирске ;) может кто знает где в Нске они продаются? Или откуда такие можно повыдирать? Всем спасибо за ответы! Вставить ник Quote
Barsick Posted July 2, 2006 Posted July 2, 2006 по схеме нужны диоды 1n4937 10шт. какие аналоги можно взять? еще нужен один диод 1.5ke6.8CA в городе нашел только 1.5ke6.8A - можноли ставить его? Или это совершенно разные вещи? а также сног сбился искать газоразрядник на 90В, ну нету их в Новосибирске ;) может кто знает где в Нске они продаются? Или откуда такие можно повыдирать? Всем спасибо за ответы! 1n4937 ->> 1n40071.5ke6.8CA -это двунаправленный 1.5ke6.8A , т.е. тебе пофигу, даже лучне газоразрядник на 90ВСтавь варистор. _Имхо_ cnr14d361k Вставить ник Quote
TtT12 Posted July 2, 2006 Posted July 2, 2006 я вообще избавился от газоразрядников... дорогое удовольствие вместо них поставил лампы от стартёров 127в аля савдэп... тэстили работают чётко одна грозозащита получается 1.5 у.е Вставить ник Quote
rst630 Posted July 3, 2006 Author Posted July 3, 2006 я вообще избавился от газоразрядников... дорогое удовольствие вместо них поставил лампы от стартёров 127в аля савдэп... тэстили работают чётко одна грозозащита получается 1.5 у.е вот спасибо! ;)) я тут какраз размышлял над лампами от стартеров, валялось тут парочка и мы парились - может их заюзать ;))) только вот так и неразглядел на сколько они вольт. 1n4937 ->> 1n4007 1.5ke6.8CA -это двунаправленный 1.5ke6.8A , т.е. тебе пофигу, даже лучне газоразрядник на 90В Ставь варистор. _Имхо_ cnr14d361k а неполучится ли так что варистор этот спасая порт будет сам каждый раз сгорать? Вставить ник Quote
rst630 Posted July 3, 2006 Author Posted July 3, 2006 1.5ke6.8CA -это двунаправленный 1.5ke6.8A , т.е. тебе пофигу, даже лучне т.е. получается что 1.5ke6.8A не двунаправленный и для него имеет значение какой стороной ставить? Извиняюсь за глупые вопросы :) Вставить ник Quote
rst630 Posted July 3, 2006 Author Posted July 3, 2006 20С-127В Стартер для последоват. включения (Россия, Китай) 3.6р. вот такое мне ведь подойдет? позвонил в магазин спросил, они сказали что нихрена незнают по поводу этих стартеров и сканают ли они как разрядники тоже незнают :)) Вставить ник Quote
Barsick Posted July 3, 2006 Posted July 3, 2006 а неполучится ли так что варистор этот спасая порт будет сам каждый раз сгорать?Тот, про который я писал - 93 дж, не так просто его убитьУ меня реально работает больше сотни 25-ти джоульных, не мрут т.е. получается что 1.5ke6.8A не двунаправленный и для него имеет значение какой стороной ставить?ДаТебя на Яндексе забанили? Вставить ник Quote
rst630 Posted July 3, 2006 Author Posted July 3, 2006 а неполучится ли так что варистор этот спасая порт будет сам каждый раз сгорать?Тот, про который я писал - 93 дж, не так просто его убитьУ меня реально работает больше сотни 25-ти джоульных, не мрут т.е. получается что 1.5ke6.8A не двунаправленный и для него имеет значение какой стороной ставить?ДаТебя на Яндексе забанили? причем тут забанили, если я слабо шарю в этих диодах.дык какой стороной его впаивать надо? ;) на место 1.5ke6.8ca вправо черточкой или в лево? Вставить ник Quote
Barsick Posted July 3, 2006 Posted July 3, 2006 (edited) я слабо шарю в этих диодах.дык какой стороной его впаивать надо? ;) на место 1.5ke6.8ca вправо черточкой или в лево? Слабо шаришь - учись. В жизни пригодится, серьёзно говорюСапресор - анодом к анодам диодов, т.е. полоски на корпусах диодов и сорбера должны соединяться Если перепутаешь - все= будет работать... Даже если перемычку вместо сорбера впаяешь - тоже будет, но только на коротком кабеле, не более номинала в 100м. Или можно сорбер поменять на пару диодов, включенных последовательно(ессно, в другом направлении, сорбер работает на обратных токах, т.н. зенеровский пробой) Edited July 3, 2006 by Barsick Вставить ник Quote
rst630 Posted July 4, 2006 Author Posted July 4, 2006 я слабо шарю в этих диодах. дык какой стороной его впаивать надо? ;) на место 1.5ke6.8ca вправо черточкой или в лево? Слабо шаришь - учись. В жизни пригодится, серьёзно говорюСапресор - анодом к анодам диодов, т.е. полоски на корпусах диодов и сорбера должны соединяться Если перепутаешь - все= будет работать... Даже если перемычку вместо сорбера впаяешь - тоже будет, но только на коротком кабеле, не более номинала в 100м. Или можно сорбер поменять на пару диодов, включенных последовательно(ессно, в другом направлении, сорбер работает на обратных токах, т.н. зенеровский пробой) в право значит ;) ну я так и впаивал. Проверил, воткнул в бесперебойник, землю с грозозащиты прикрутил на лапмочку 100W, вторую клему с лампочки прикрутил к батареи ;)) - врубил бесперебойник, лампочка загорелась, но с очень частыми марганиями, в лампе от стартера тоже била искра но с более редко чем горела лампочка. Это так и должно чтоб лампочка моргала? Я так пологаю что это из-за того что лампа от стартера не сразу сбрасывает разряд, а только после накопления. Вставить ник Quote
Sirco Posted July 4, 2006 Posted July 4, 2006 В стартере стоит термоелемент == биметалическая пластина . Если ток через стартер довольно большой то пластина нагреваеться и коротит стартер - в результате твоя лампочка горит на полный накал . реально - стартер будет работать в режиме прогрева - тойсь без замыкания цепи . Если вдруг у тебя на линии появиться большие напряжения то стартер закоротиться - и по цепи потекут значительно большие токи - что в принципе не очень желательно - но вероятность такого события довольно незначительная ... Вставить ник Quote
rst630 Posted July 4, 2006 Author Posted July 4, 2006 В стартере стоит термоелемент == биметалическая пластина .Если ток через стартер довольно большой то пластина нагреваеться и коротит стартер - в результате твоя лампочка горит на полный накал . реально - стартер будет работать в режиме прогрева - тойсь без замыкания цепи . Если вдруг у тебя на линии появиться большие напряжения то стартер закоротиться - и по цепи потекут значительно большие токи - что в принципе не очень желательно - но вероятность такого события довольно незначительная ... дык я не стартер впаиваю а саму лампу из стартера, соответственно и без пластины Вставить ник Quote
Barsick Posted July 4, 2006 Posted July 4, 2006 дык я не стартер впаиваю а саму лампу из стартера, соответственно и без пластины В лампе биметаллические электроды, они при разогреве изгибаются и касаются друг друга Вставить ник Quote
rst630 Posted July 4, 2006 Author Posted July 4, 2006 дык я не стартер впаиваю а саму лампу из стартера, соответственно и без пластиныВ лампе биметаллические электроды, они при разогреве изгибаются и касаются друг друга вот в самом стартере стоит лампа и какято херня типа свернутой фольги, заче она?я впаиваю только лампу это ведь правильно? или вместе с фольгой надо? Вставить ник Quote
Nag Posted July 4, 2006 Posted July 4, 2006 Читал, читал... 3-х ногие газовые разрядники стоят 10-12 рублей оптом. В чем смысл экономии на стартерах и проем? Вставить ник Quote
rst630 Posted July 4, 2006 Author Posted July 4, 2006 Читал, читал...3-х ногие газовые разрядники стоят 10-12 рублей оптом. В чем смысл экономии на стартерах и проем? смысл не в экономии просто я найти немогу их. а тут у знакомых увидалгазоразрядники и чуть не ах..ел когда узнал почем они их взяли - 91р./штука если кто знает в Новосибирске где есть газоразрядники по 10-15р. подскажите плиз Вставить ник Quote
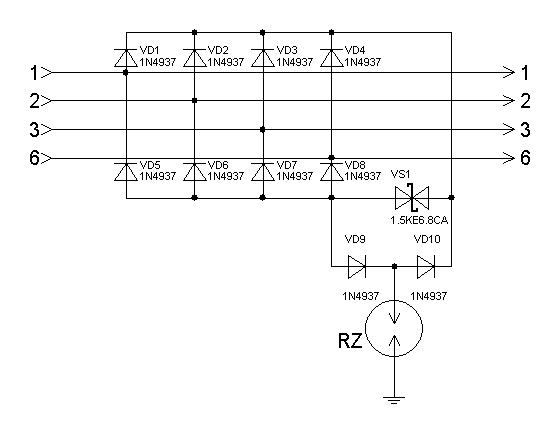
PTrD Posted September 23, 2006 Posted September 23, 2006 А ктонибудь мне подскажет почему в этой схеме диоды VD9 и VD10 включены к другим диодам - к - и + к +, ведь так они всегда будут закрыты. И никогда разрядник невозмёт на себя наводки. Может я неправ, но немогу понять как это будет работать, обьясните пожалуйста. Вставить ник Quote
Nag Posted September 24, 2006 Posted September 24, 2006 смысл не в экономии просто я найти немогу их.а тут у знакомых увидалгазоразрядники и чуть не ах..ел когда узнал почем они их взяли - 91р./штука если кто знает в Новосибирске где есть газоразрядники по 10-15р. подскажите плиз Напиши мне - продам, раз такая беда. ;-)Только не менее сотни зараз. Вставить ник Quote
TtT12 Posted December 10, 2006 Posted December 10, 2006 to rst630 беда-беда ... я прошу прощения что не ответил на ваше сообщение , блин забыл что на гугле ящик сделал, только сегодня случайно его нашел :) ну так чем закончилось-то? с лампами разобрались? а мне вот надоело со стартерами играться, не надёжно как-то оно получилось, но работало. Поэтому нарисовал схемку восьми портовой грозозащиты пошел на завод заказал их сотню (платок), опять таки с экономил на 8-ми портовую грозозащиту поставил один газоразрядник. Работает. Хорошо или плохо узнаем погодя весной. Кто что думает по поводу экономии на газоразрядниках? Здохнет грозозащита быстро? Спасёт ли она свич? Вставить ник Quote
Profi the same Posted December 10, 2006 Posted December 10, 2006 Кто что думает по поводу экономии на газоразрядниках? Здохнет грозозащита быстро? Спасёт ли она свич? В сети стоят 4 портовые с одним разрядником. из ~80 портов все целы остались. Вставить ник Quote
REMBOIV Posted December 11, 2006 Posted December 11, 2006 to rst630Поэтому нарисовал схемку восьми портовой грозозащиты пошел на завод заказал их сотню (платок), опять таки с экономил на 8-ми портовую грозозащиту поставил один газоразрядник. Работает. Хорошо или плохо узнаем погодя весной. Кто что думает по поводу экономии на газоразрядниках? Здохнет грозозащита быстро? Спасёт ли она свич? А вот придет весна тогда и узнаете :) Вы схему видели на картинках? Один порт - один разрядник, вот и смотрите что для вас дешевле купить разрядников или новый свич, вы не забывайте если импульсы пойдут по всем восьми портам неизвестно что будет, я вообще в своей грозозащите ставил одна пара - один разрядник. Кстати по работоспоснобности схем лучше спрашивать у RDS Вставить ник Quote
ur3cag Posted December 12, 2006 Posted December 12, 2006 А ктонибудь мне подскажет почему в этой схеме диоды VD9 и VD10 включены к другим диодам - к - и + к +, ведь так они всегда будут закрыты. И никогда разрядник невозмёт на себя наводки. Может я неправ, но немогу понять как это будет работать, обьясните пожалуйста. есть мнение что высоковольтный импульс, возникший (относительно земли) к примеру на линии N6пройдет по таких путях: "+" -полярности VD4,VS1,VD8,RZ "-" -полярности VD8,VS1VD10,RZ Вставить ник Quote
TtT12 Posted December 12, 2006 Posted December 12, 2006 А вот придет весна тогда и узнаете :) Вы схему видели на картинках? Один порт - один разрядник, вот и смотрите что для вас дешевле купить разрядников или новый свич, вы не забывайте если импульсы пойдут по всем восьми портам неизвестно что будет, я вообще в своей грозозащите ставил одна пара - один разрядник. Кстати по работоспоснобности схем лучше спрашивать у RDSладно поживём увидемпрошлым летом отделался 25 свичами, но все прошли гарантию :) Вставить ник Quote
SpecProtect Posted December 13, 2006 Posted December 13, 2006 по схеме нужны диоды 1n4937 10шт. какие аналоги можно взять? еще нужен один диод 1.5ke6.8CA в городе нашел только 1.5ke6.8A - можноли ставить его? Или это совершенно разные вещи? а также сног сбился искать газоразрядник на 90В, ну нету их в Новосибирске ;) может кто знает где в Нске они продаются? Или откуда такие можно повыдирать? Всем спасибо за ответы! Вряд ли в твоём случае нужен разрядник, тем более на 90В. Не нужно и стартерные лампы туда ставить.Что касается диодов 1n4937, то замени из на 1n4006-1n4007 (как уже говорилось выше). С супрессором 1.5ke6.8A нужно соблюдать полярность. Вопрос: сколько метров витуха, проходит ли она по улице и на какой высоте от земли? Вставить ник Quote
Recommended Posts
Join the conversation
You can post now and register later. If you have an account, sign in now to post with your account.