Bachaa Posted April 1, 2017 Posted April 1, 2017 Итак... На днях ко мне доехала кросс-муфта МВОТ-К-64 от компании VolSip. Я ее знатно перетряс, о чем будет несколько роликов. Вставить ник Quote
satboy Posted April 1, 2017 Posted April 1, 2017 Насчет 2мм держателя адаптеров. Когда мерил адаптеры, у меня тоже с первого раза не раскрывались лепестки. Однако, заменив их на другого производителя - все прекрасно защелкивается. Видимо одни адаптеры работают до 1.8мм, другие спокойно на 2мм, вкл покрашенные порошковой. Вставить ник Quote
Bachaa Posted April 1, 2017 Author Posted April 1, 2017 Видимо одни адаптеры работают до 1.8мм, другие спокойно на 2мм, вкл покрашенные порошковой Может быть и так, но из-за отсутствия отверстий под крепеж это викторина. Надо или уменьшать толщину пластины или делать отверстия и в комплект кидать крепеж. Вставить ник Quote
satboy Posted April 1, 2017 Posted April 1, 2017 Петлю транзитную для чего?? Для овального ввода, который занят под дроп кабель? :) Вставить ник Quote
Bachaa Posted April 1, 2017 Author Posted April 1, 2017 Петлю транзитную для чего?? Ты ролики досмотри до конца, да :) ? Или ты все кабели собираешься пополам резать? Это как бы не есть хорошо. Вставить ник Quote
Error_404 Posted April 1, 2017 Posted April 1, 2017 Bachaa спасибо за обзор интересные решения предлагаешь. Производитель за доработку должен премию выписать :) Вставить ник Quote
Andrei Posted April 3, 2017 Posted April 3, 2017 Много "доработать напильником", но все советы полезные, потому как от практика. Вставить ник Quote
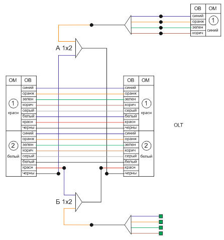
Bachaa Posted April 3, 2017 Author Posted April 3, 2017 Тем временем решил куда буду ставить муфту. Вот такая схемка нарисовалась. Транзитка. Я топлю за овальный транзитный ввод - чтобы не гасить связь у абонентов по линии дальше. Хотя эта линия новая и недействующая, но сам факт. Буду забирать из второго модуля два волокна. В них врезать делители 1х2, чтобы не бросать волокна в обрыве. На свободные концы двушек будет вариться по делителю 1х4. На один подвариваем кабель, на второй делитель с конекторами. По проекту всего 10 сварок. Вставить ник Quote
zoro Posted April 4, 2017 Posted April 4, 2017 Транзитка. Я топлю за овальный транзитный ввод - чтобы не гасить связь у абонентов по линии дальше. Хотя эта линия новая и недействующая, но сам факт. Буду забирать из второго модуля два волокна. Вы и модуль не рвете? Давай видео как будешь это делать :) с начала до конца... Я имею в виду ввод и кабеля и без разрыва модуля... Просто с кабелем еще нормально- то модуль постоянно витой... и вскрывать его без разрыва связи мягко говоря не удобно, легче разрезать... В них врезать делители 1х2, чтобы не бросать волокна в обрыве. На свободные концы двушек будет вариться по делителю 1х4. На один подвариваем кабель, на второй делитель с конекторами. Объясните мне Глубинный смысл задействовать два порта OLT на одну муфту? У Ростелекома это так сильно красиво сказано было... По факту во всех моих сетях которые я делал- волокно приходит- делитель на 8 сразу же... И все точка... Вставить ник Quote
Bachaa Posted April 4, 2017 Author Posted April 4, 2017 Вы и модуль не рвете? Не рву. На форуме есть тема по этому вопросу. Сейчас поищу... Вот http://forum.nag.ru/forum/index.php?showtopic=69682 Объясните мне Глубинный смысл задействовать два порта OLT на одну муфту? Это вы как вычислили :) ? Порт один. Просто надпись OLT показывает с какой стороны сигнал идет. В этой муфте просто будет и кросс на 4 порта (внизу на схеме 4 зеленые розетки) и ответвление на другую улицу (то, что сверху) А с ОЛТ выходит все с одного порта и сразу попадает на делитель 1х8 волокно приходит- делитель на 8 сразу же... И все точка... Если это не тупик на улице, то это просто варварство. У меня бюджета хватает, чтобы сделать отвод на дома и толкнуть волокно дальше. Я вообще стараюсь в муфтах по-минимуму бросать волокна. Вставить ник Quote
Andrei Posted April 4, 2017 Posted April 4, 2017 У меня бюджета хватает, чтобы сделать отвод на дома и толкнуть волокно дальше. Я вообще стараюсь в муфтах по-минимуму бросать волокна. И для это ставите в муфтах делитель 1/2 ? Вставить ник Quote
Bachaa Posted April 4, 2017 Author Posted April 4, 2017 На магистралях делаю так. Тащу сигнал по одному волокну с отводами в сторону и продолжением его по линии, пока есть бюджет. В распред сетях делаю несколько иначе: Там где нарисовано "оборванное" волокно, там резерв под дома в этой точке. Сперва напрямки. ПОтом, если еще дом появится ставим делитель 1Х2, потом 1Х4 и т.д. И там дальше кабель идет на уменьшение волоконности. Ладно, речь не про это. Делайте тему о вариантах передачи сигнала по сетям, я ее охотно поддержу :) Вернемся к нашему герою. VolSip не стоит на месте, а очень энергично вносит изменения в свои муфты на наше с вами рассмотрение. Красавчики, да ? Вставить ник Quote
Error_404 Posted April 4, 2017 Posted April 4, 2017 Молодцы шевелятся. Раз прислушиваются к конечному потребителю спрос будет Вставить ник Quote
EShirokiy Posted April 4, 2017 Posted April 4, 2017 VolSip не стоит на месте, а очень энергично вносит изменения в свои муфты на наше с вами рассмотрение. Молодцы, еще чуть-чуть и получим идеальную муфту) мне кажется будет идеальный вариант - универсальная муфта и дополнительные фенечки в виде гермовводов и специальных ложементов под крепление делителей и розеток (как на втором фото). Суть решения простая, купил универсальных муфт штук 10, докупил гермовводов и ложементов и если надо повесил на опору к частникам или разместил на крыше для соединения двух-трех кабелей. Таким образом можно оптимизировать расходы. Еще бы вопрос штатной герметизации тросовой оптики проработали, было бы очень круто. Приложил схемку для штатного крепления розеток и делителей для универсальной муфты МВОТ-144-4-Т-1-24 (МВОТ-7002). Похож на то, что на второй фотке, но слегка доработал. Вставить ник Quote
Zhenterik Posted April 4, 2017 Posted April 4, 2017 На втором рисунке, расположение розеток с воткнутыми в них патчкордами даст ли возможность нормально закрыть колпак муфты?! Вставить ник Quote
zoro Posted April 5, 2017 Posted April 5, 2017 На втором рисунке, расположение розеток с воткнутыми в них патчкордами даст ли возможность нормально закрыть колпак муфты?! если пигтейлы- то не должно мешать.. А если патчкорды то да- тут уже под вопросом... Хвостик длинный... Вставить ник Quote
avistudio Posted April 5, 2017 Posted April 5, 2017 На магистралях делаю так. Тащу сигнал по одному волокну с отводами в сторону и продолжением его по линии, пока есть бюджет. В распред сетях делаю несколько иначе: В какой програме рисовали? Может посоветуйте софт для рисования схем? Вставить ник Quote
Bachaa Posted April 6, 2017 Author Posted April 6, 2017 В какой програме рисовали? Об этом говорим вот тут http://forum.nag.ru/forum/index.php?showtopic=80137&view=findpost&p=1391207 Вставить ник Quote
Bachaa Posted April 30, 2017 Author Posted April 30, 2017 VolSip не стоит на месте, а очень энергично вносит изменения в свои муфты на наше с вами рассмотрение. И на выставке СВЯЗЬ я уже видел этот образец и покрутил его в руках. Как только кончатся мои ССДшки, буду заказывать, но не раньше, чем ребята придумают крепеж под эту муфту на столб :) Вставить ник Quote
sauroneg Posted May 16, 2018 Posted May 16, 2018 @Bachaa а есть возможность инструкцию к данной муфте выложить в формате ПДФ или картинок отсканированных(сфотанных), уж очень интересно почитать=) Вставить ник Quote
Recommended Posts
Join the conversation
You can post now and register later. If you have an account, sign in now to post with your account.