Jump to content

Recommended Posts

Posted

Добрый день, коллеги.

Возник у меня вопрос относительно реализации одного проекта.

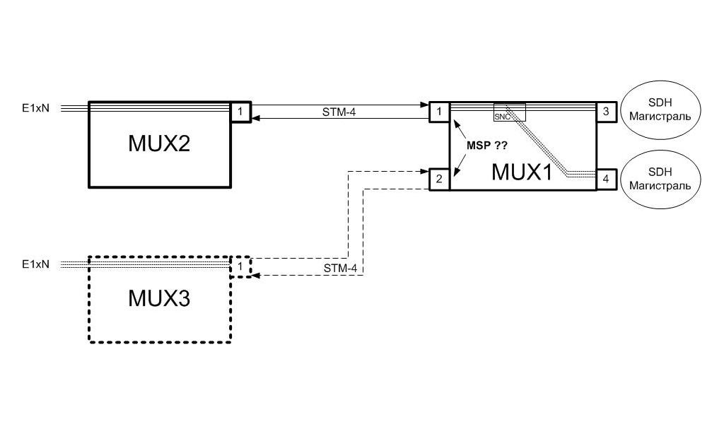
В общем суть такая: есть у меня клиент, очень привередливый. Берет пучок E1 по разным направлениям (см схему. MUX2 - у клиента, MUХ1 - магистральный.). Схема собрана на AlcatelLucent AMU1655. Естессно, эти каналы зарезервированы по магистрали через SNC-защиту. Все вроде хорошо, все работает.

 

И тут клиент изъявил желание зарезервировать и клиентскую часть, т.е. оборудование.

Т.е. устанавливаем еще один мультиплексор (MUX3), в другом здании клиента, стыкуем его с магистральным MUX1. В случае падения MUX2, все потоки должны улетать на MUX3, где их и подбирает клиент. Все счастливы.

Вроде все ясно - надо вешать MSP защиту на порты стыка MUX1, сконфигурить MUX3 аналогично MUX2, и все. Но я честно говоря с такой схемой сталкиваюсь впервые, да и MSP практически не юзал до этого, поэтому хотел прояснить некоторые нюансы. Будет ли такая схема вообще работать? Надо ли как-то дополнительно конфигурить MUX2 и MUX3, либо все сводится к прописыванию MSP на MUX1? Заранее спасибо.

 

post-139136-094862200 1482301137_thumb.jpg

Posted (edited)

Я бы предложил схему в которой для клиента дополнительно организовываются резервные потоки, которые работают параллельно существующим, но оконечиваются на mux3.

 

Насчет msp, по идее нужно настроить порт stm4 по схеме 1+1, указав рабочий и резервный.

На mux2 вносить изменений никаких не нужно, а на mux3 настройки аналогичные mux2

Edited by WDM

Join the conversation

You can post now and register later. If you have an account, sign in now to post with your account.

Guest
Reply to this topic...

×   Pasted as rich text.   Paste as plain text instead

  Only 75 emoji are allowed.

×   Your link has been automatically embedded.   Display as a link instead

×   Your previous content has been restored.   Clear editor

×   You cannot paste images directly. Upload or insert images from URL.

×
×
  • Create New...
На сайте используются файлы cookie и сервисы аналитики для корректной работы форума и улучшения качества обслуживания. Продолжая использовать сайт, вы соглашаетесь с использованием файлов cookie и с Политикой конфиденциальности.